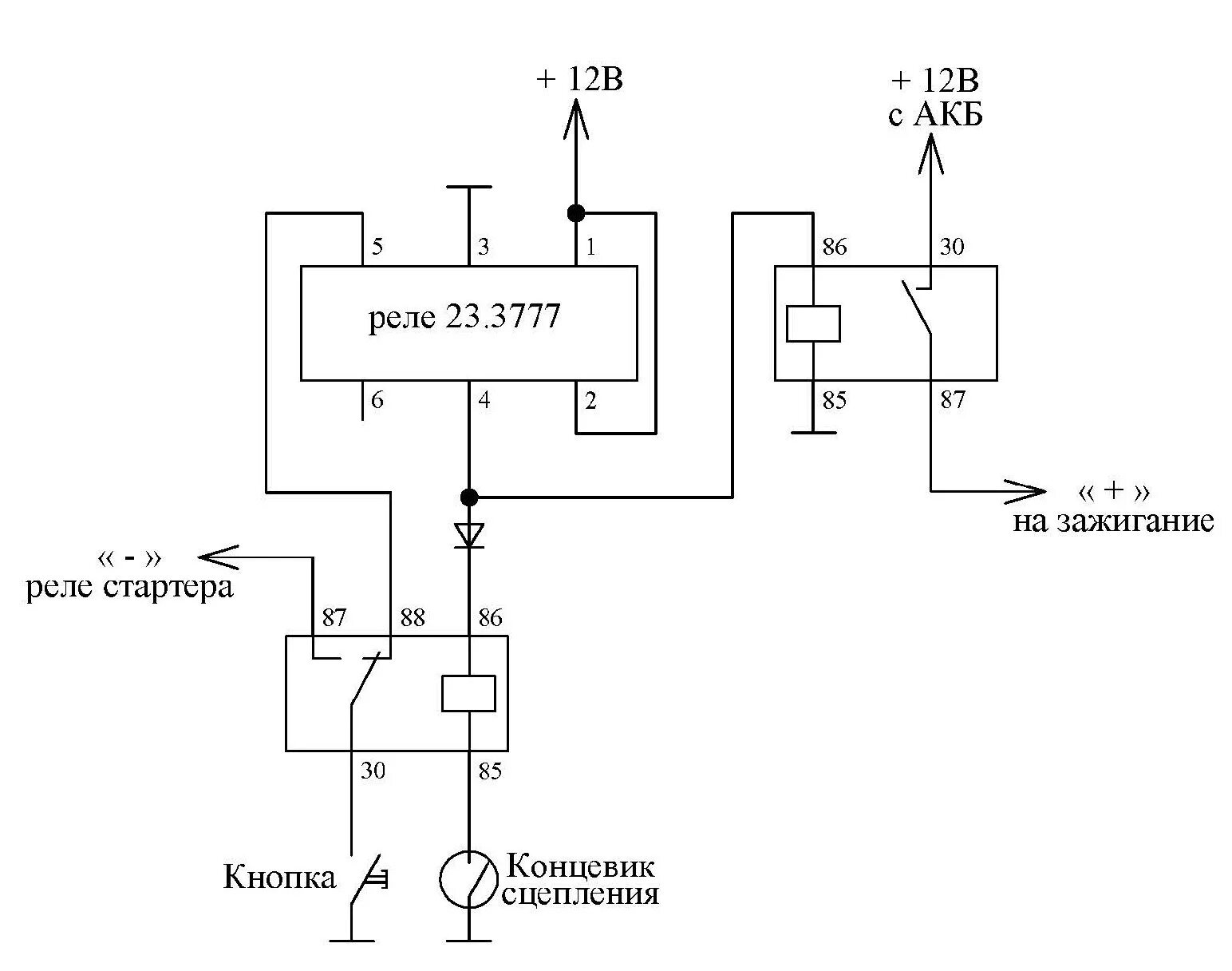
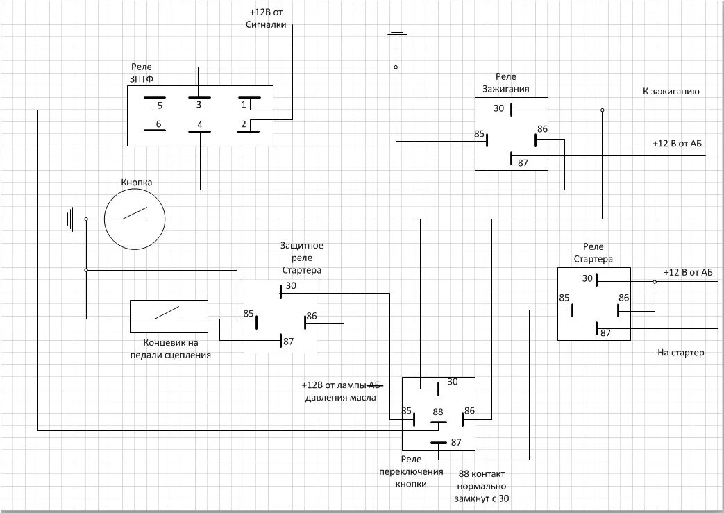
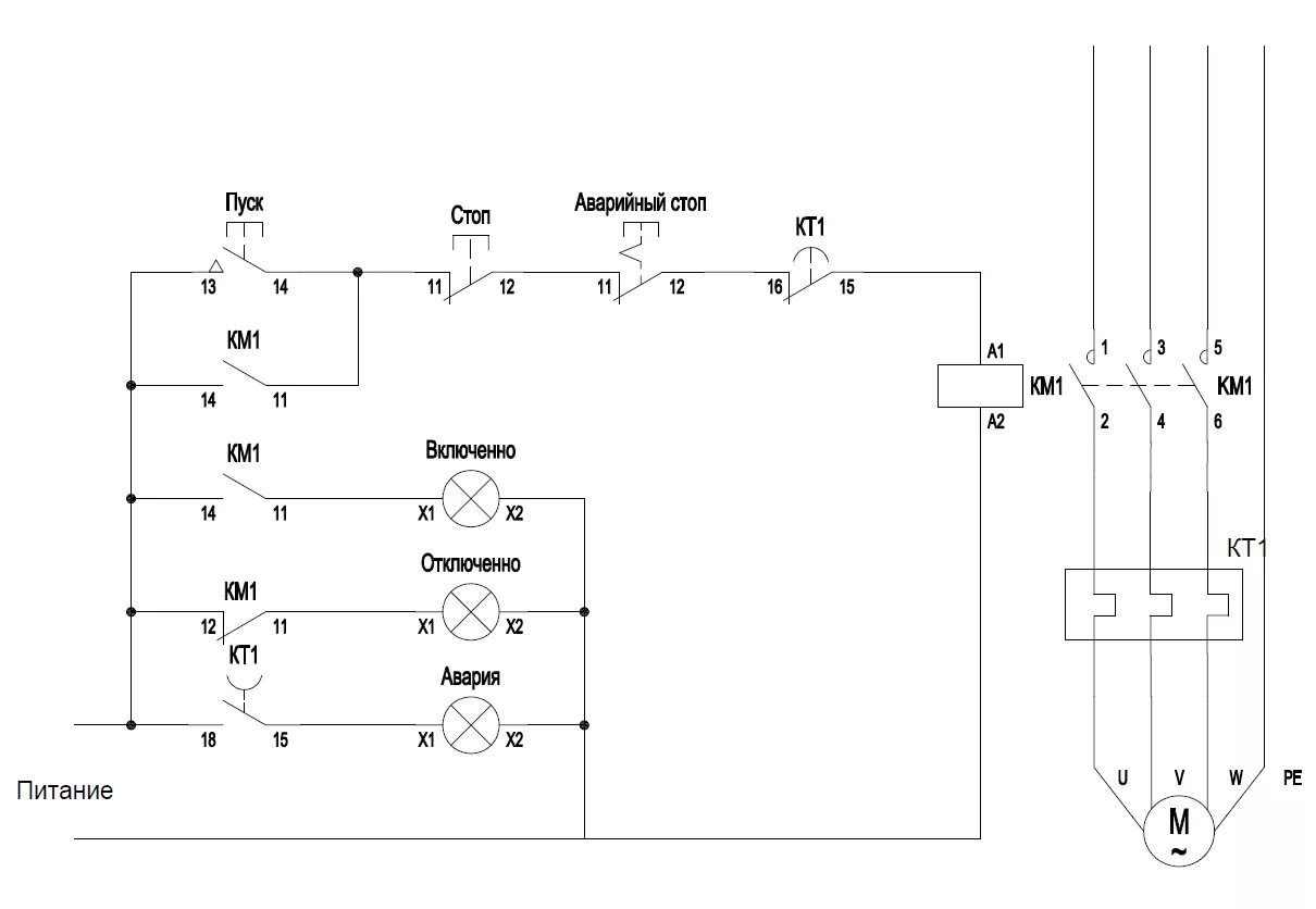
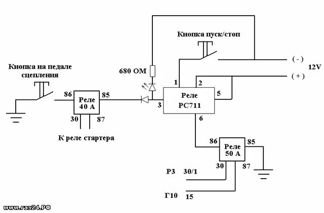
Стоп кнопка схема