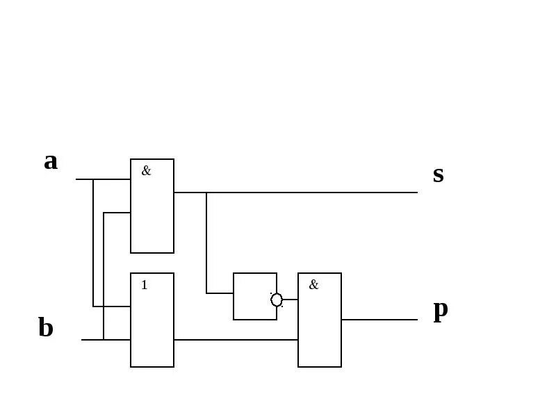
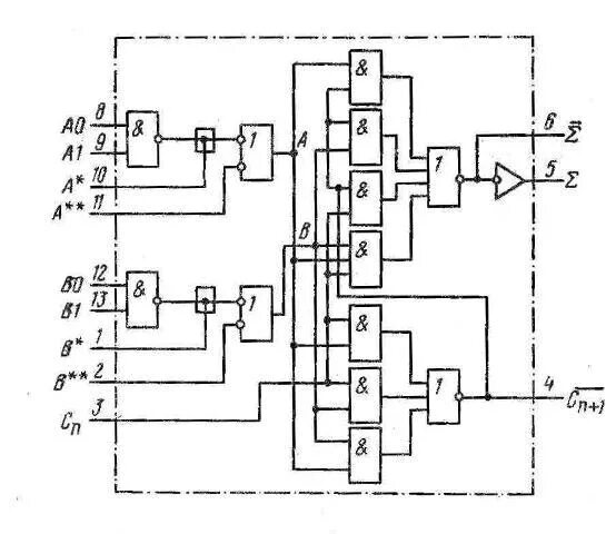
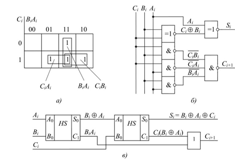
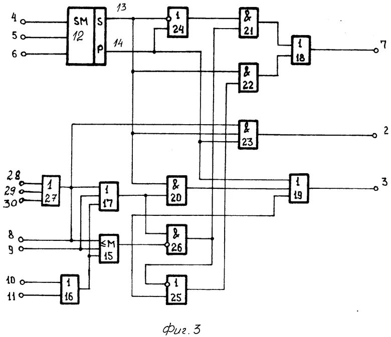
Сумматор c