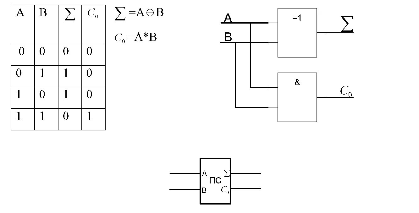
Сумматор чисел