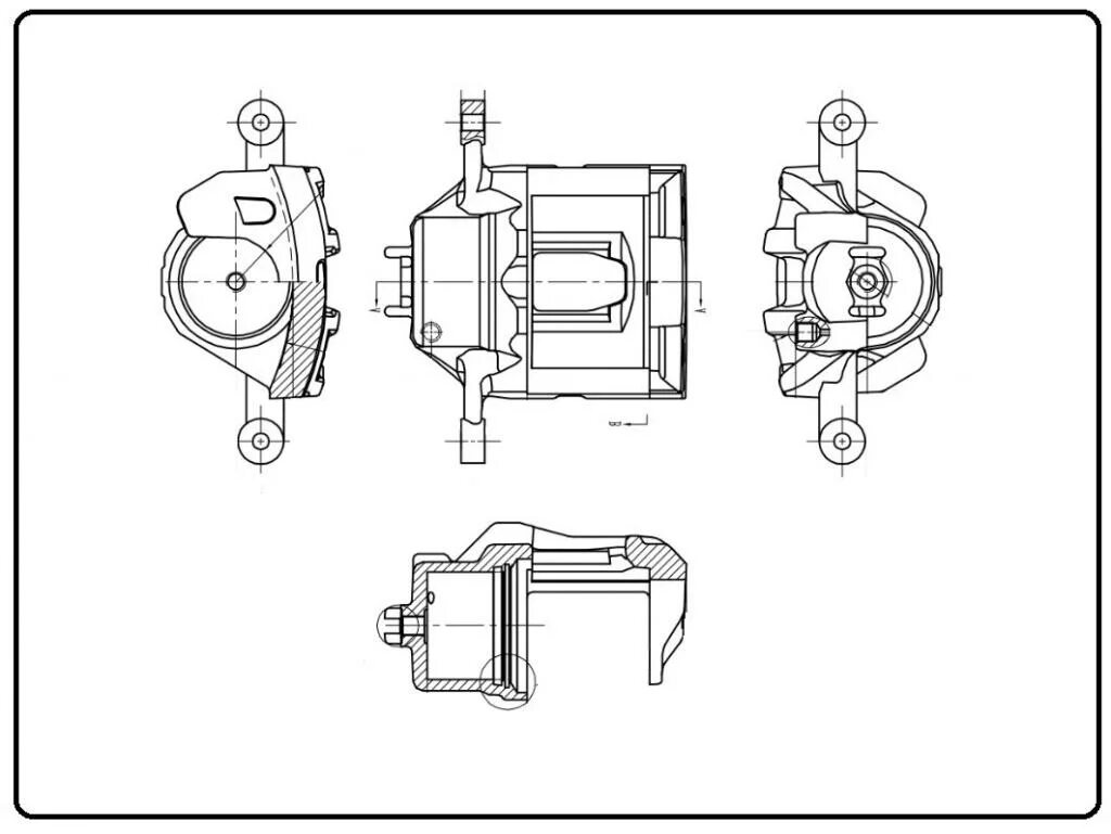
Суппорт размеры