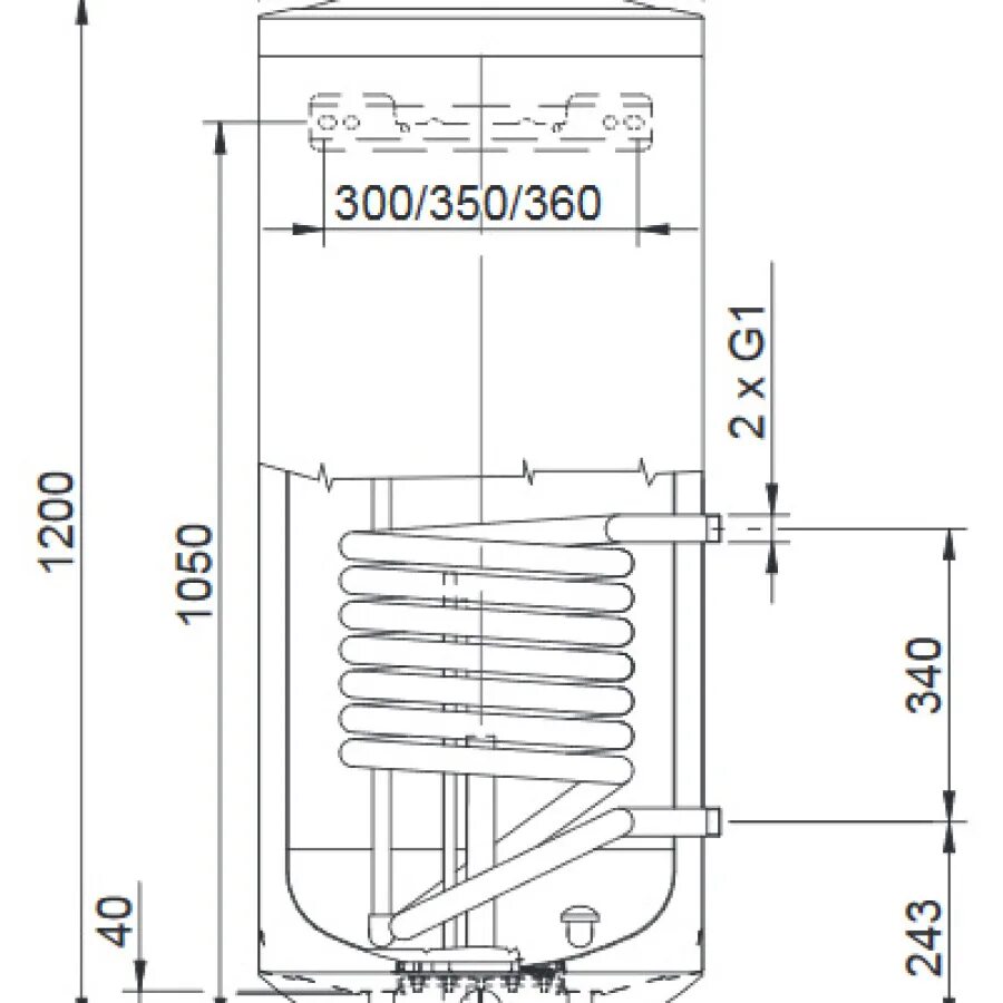
Swh 1210 000150