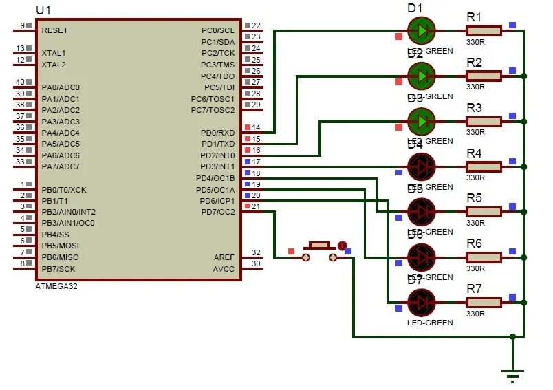
Switch status