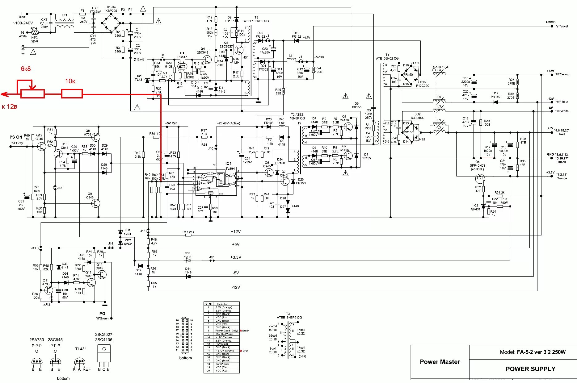
Switching power supply model