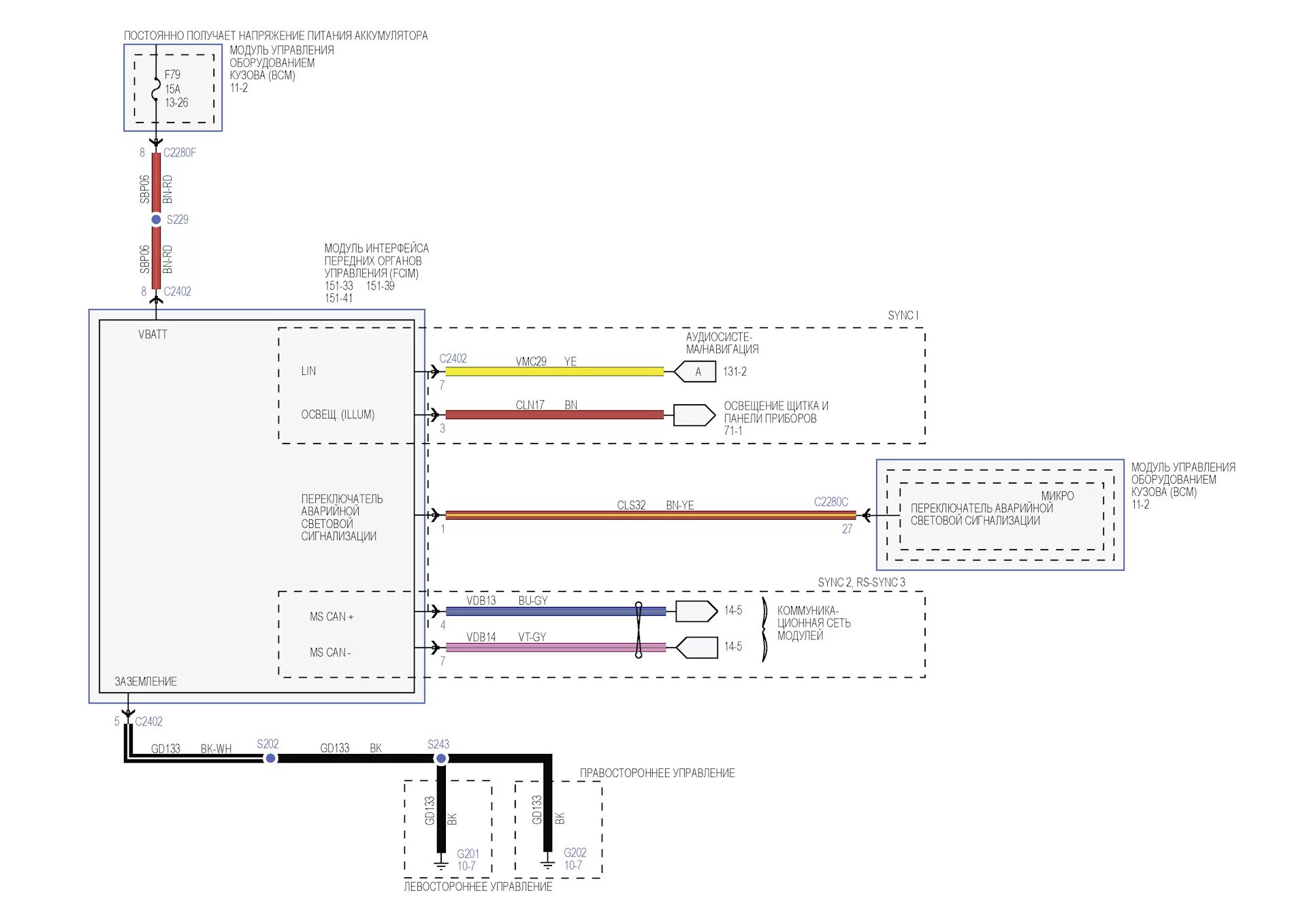
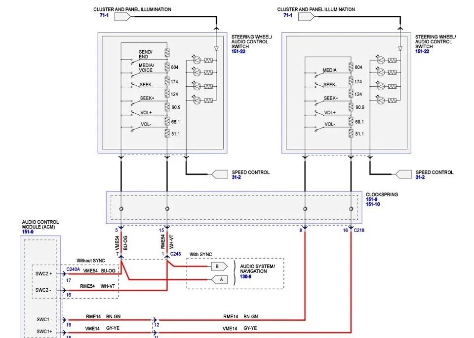
Sync как подключить