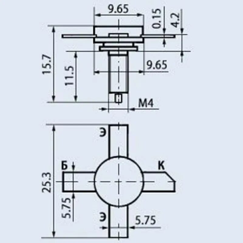
Т 922