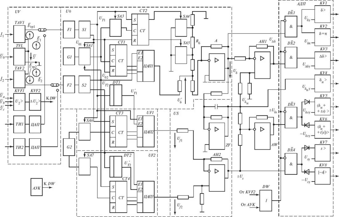
Ta v 2