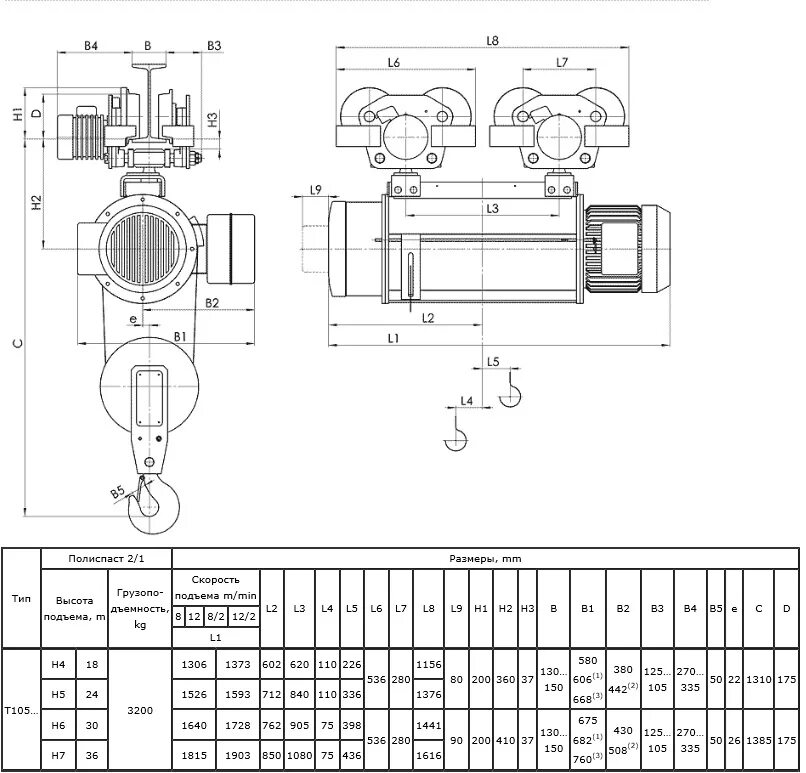
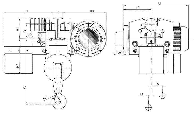
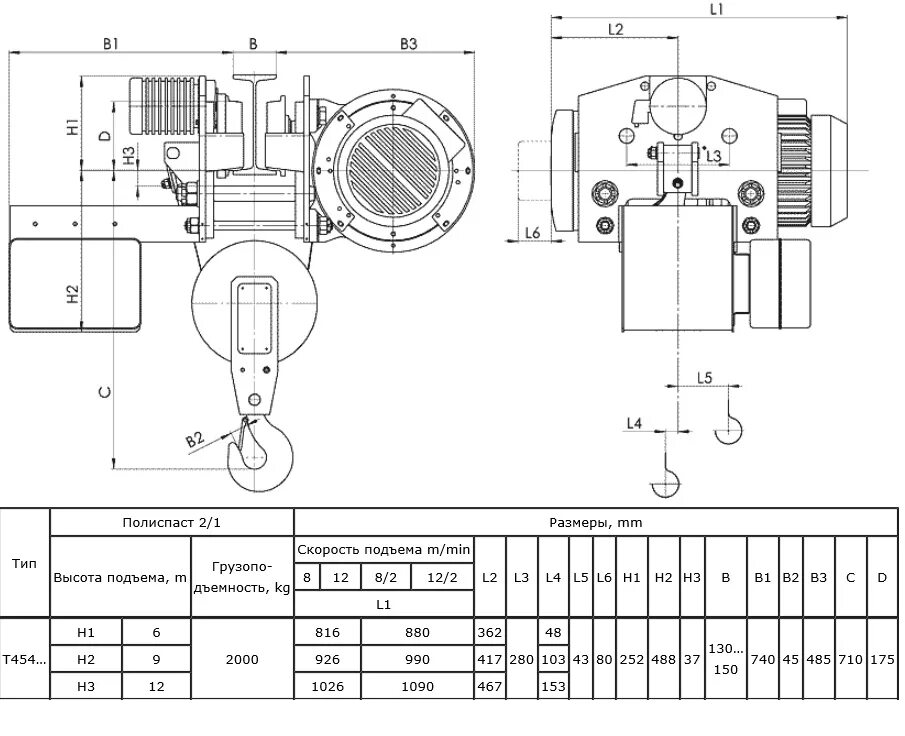
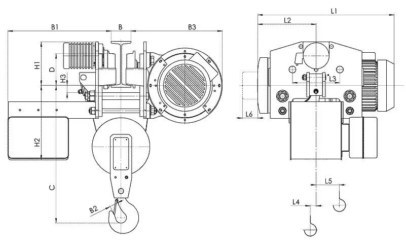
Таль типа т