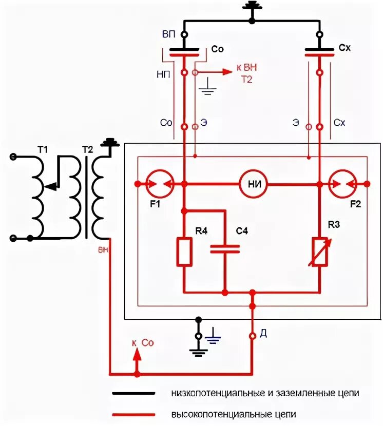
Тангенс трансформатора