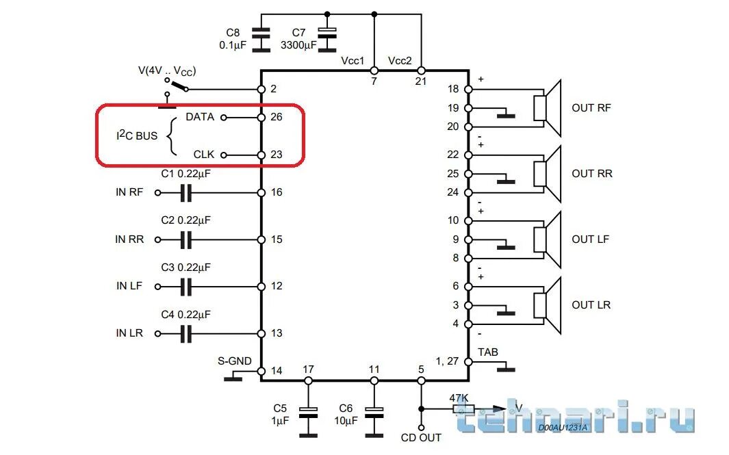
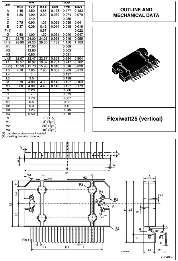
Tda7388 даташит