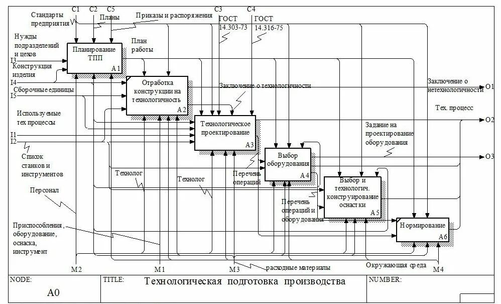
Техническая модель предприятия