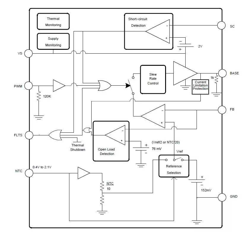
Thermal monitoring