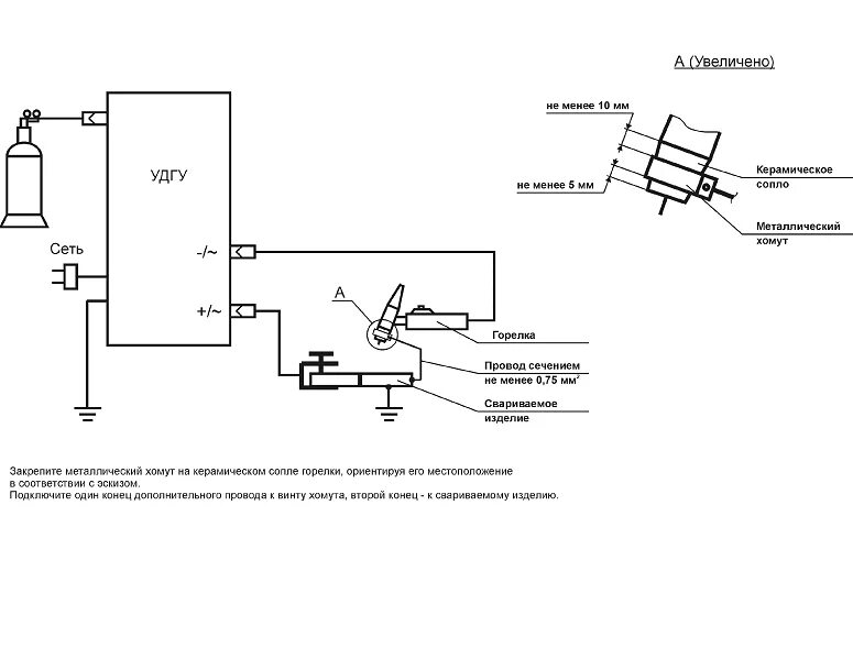
Tig подключение