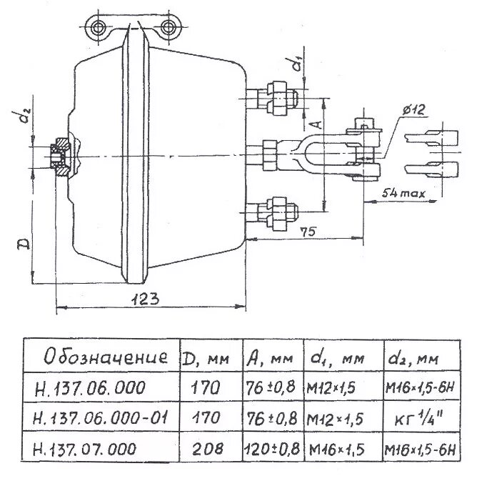
Тип 20 номер