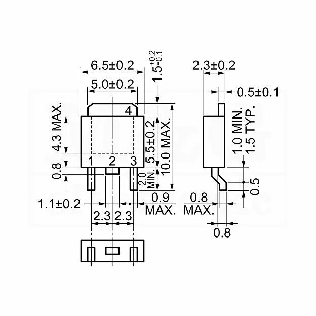
Тип 252