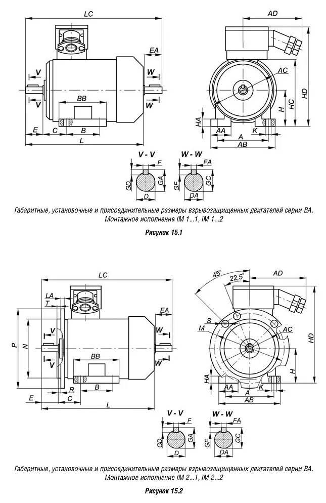
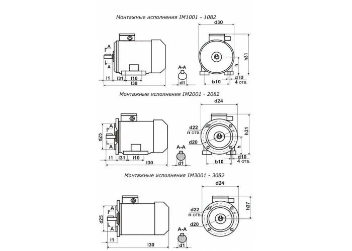
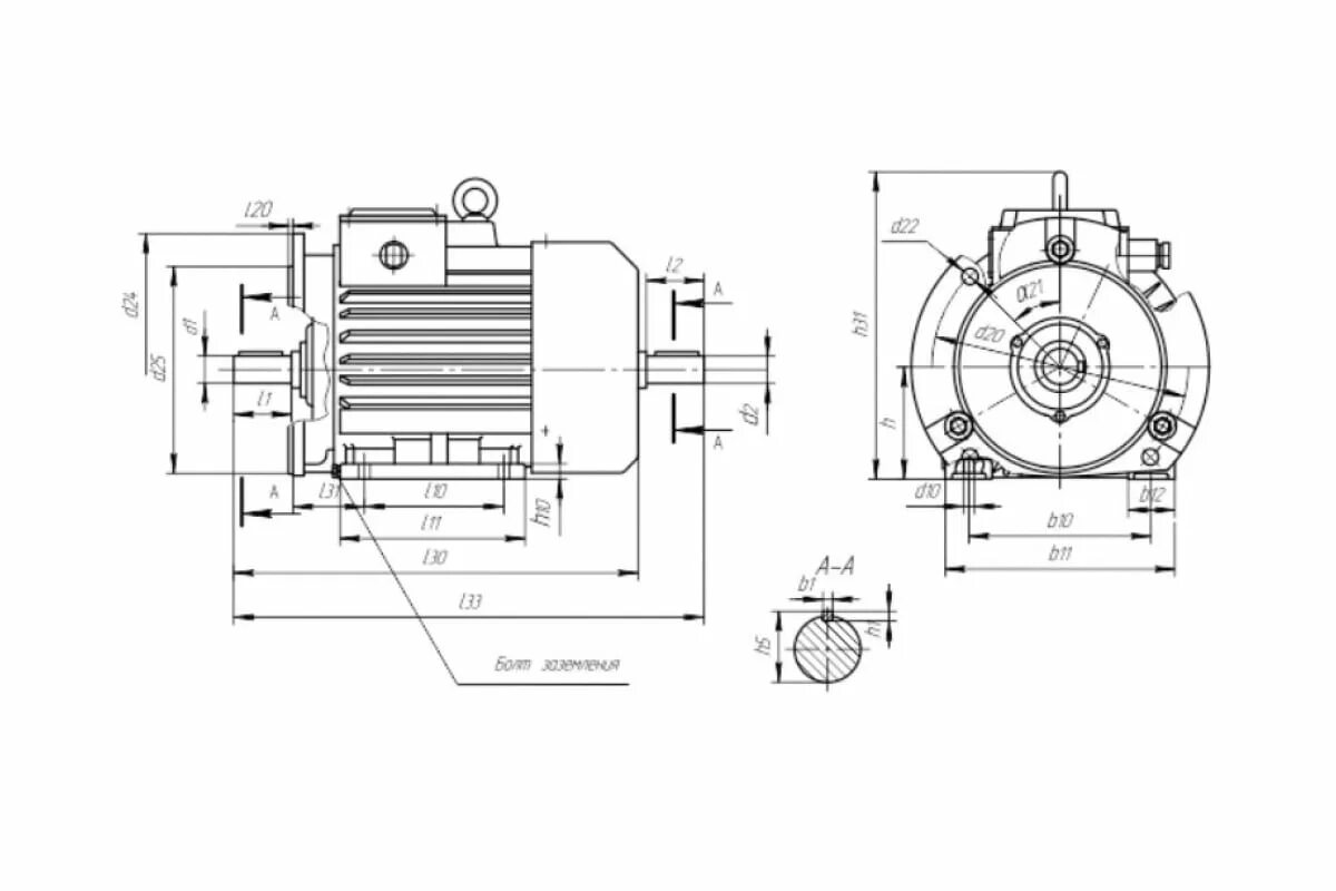
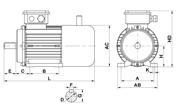
Тип исполнения электродвигателя