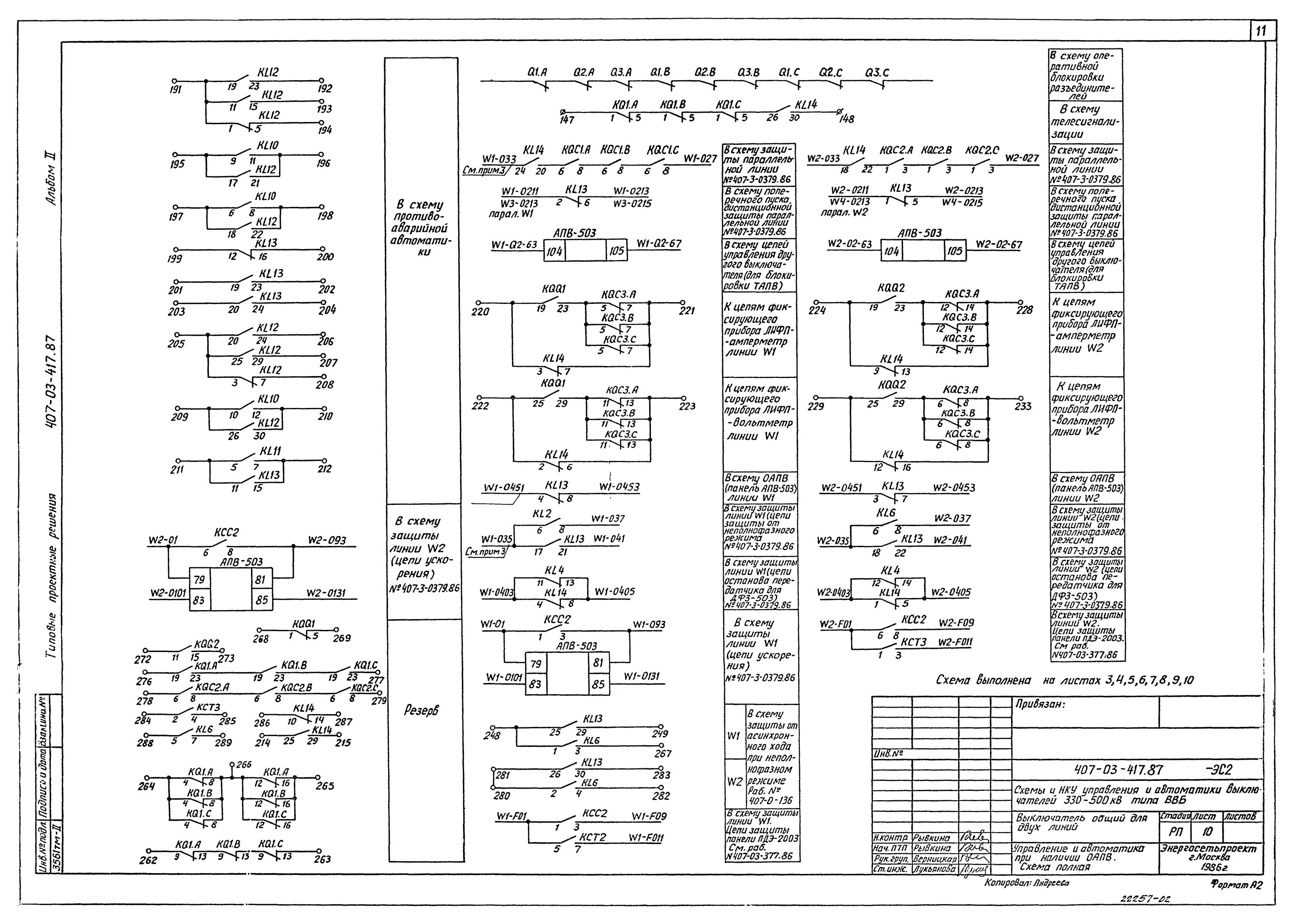
Тип управления выключателя