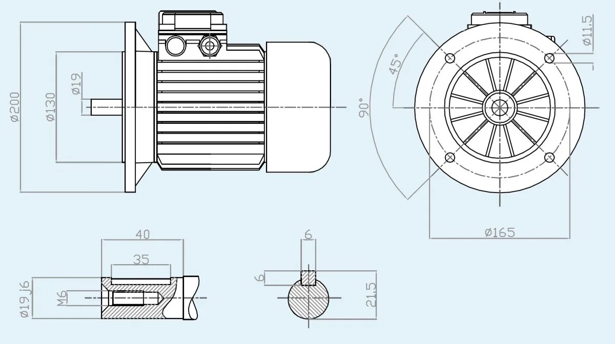
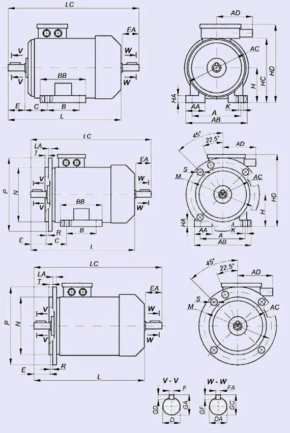
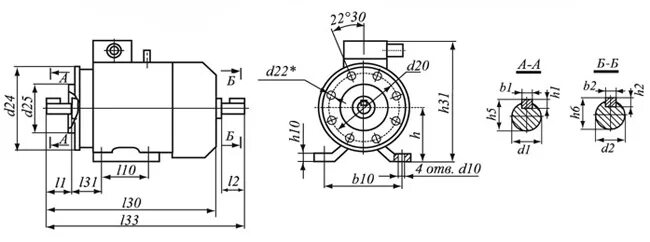
Типоразмер двигателя