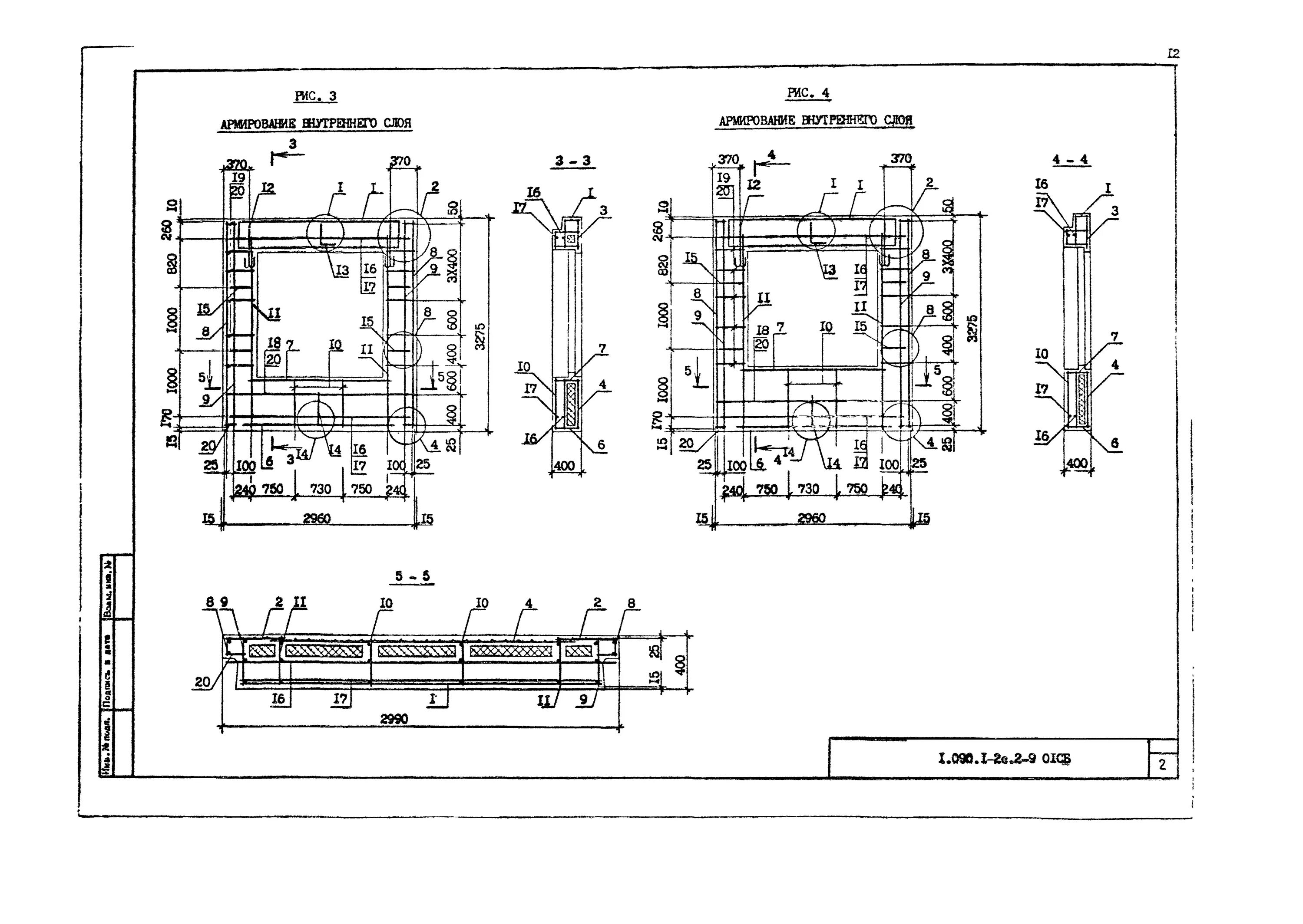
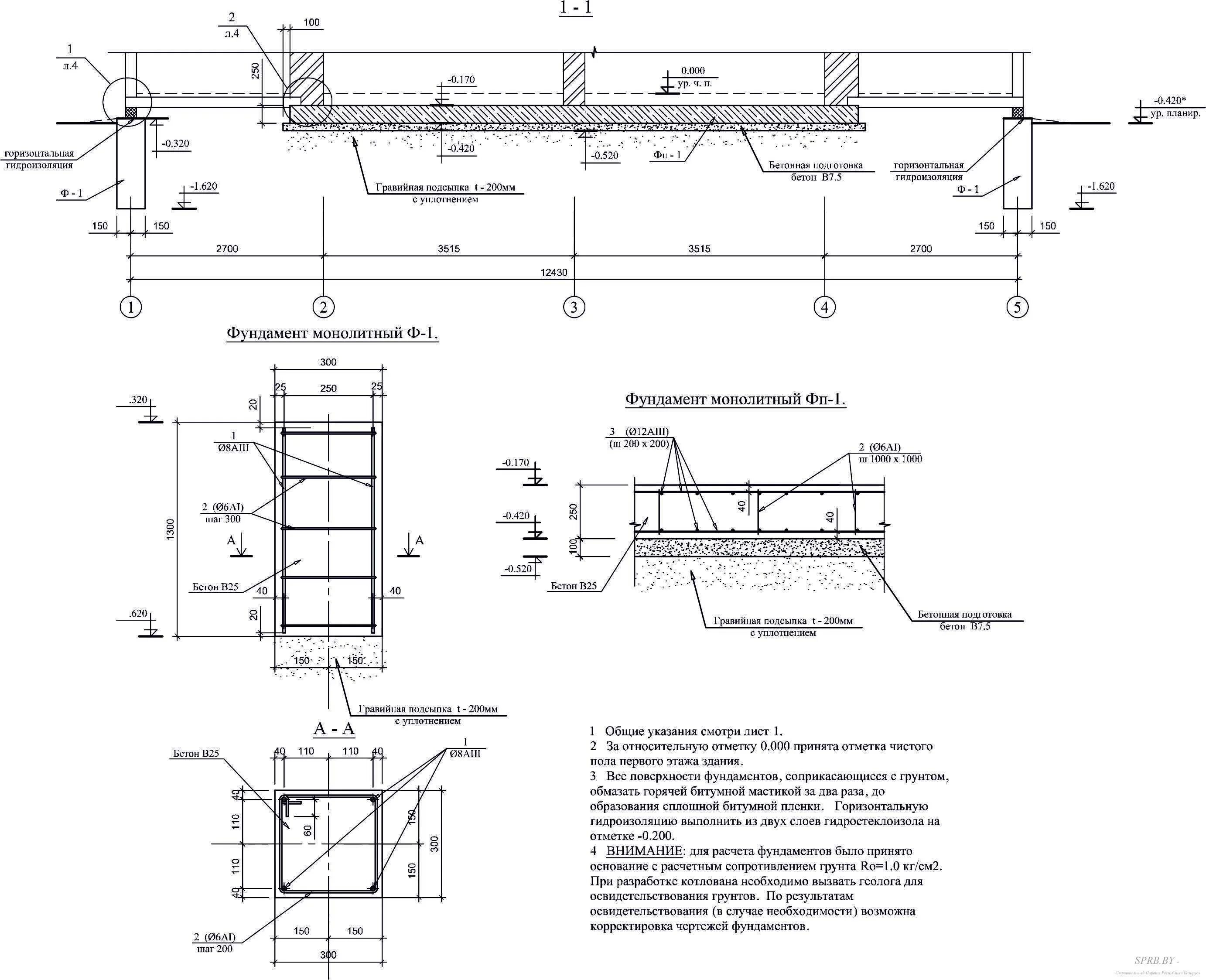
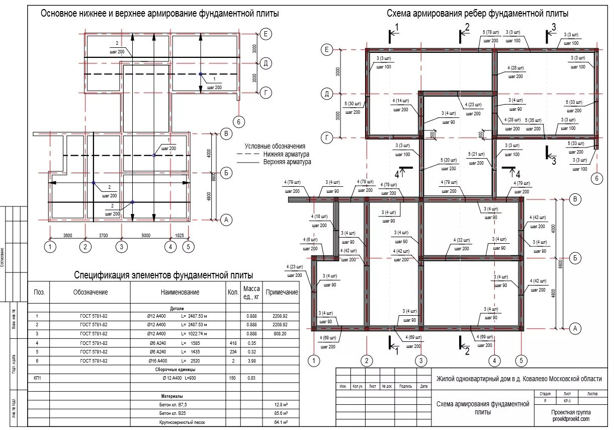
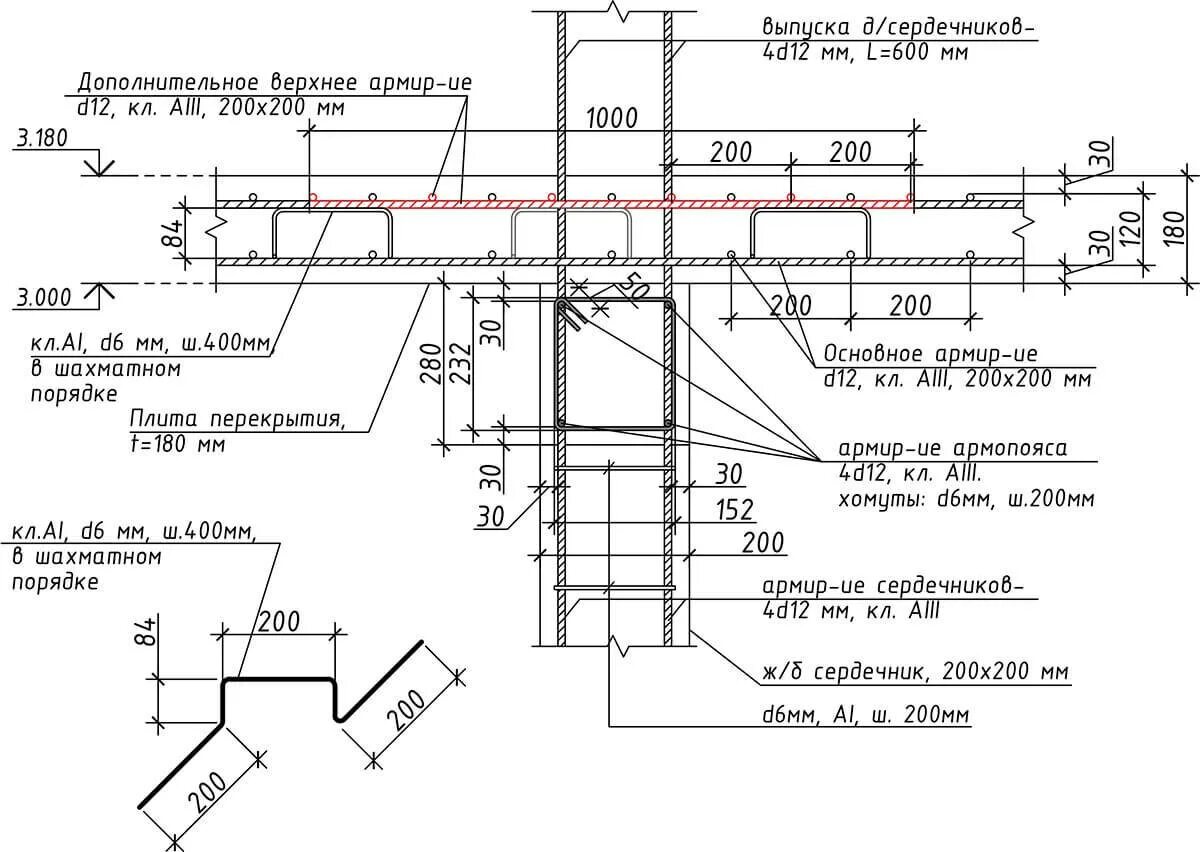
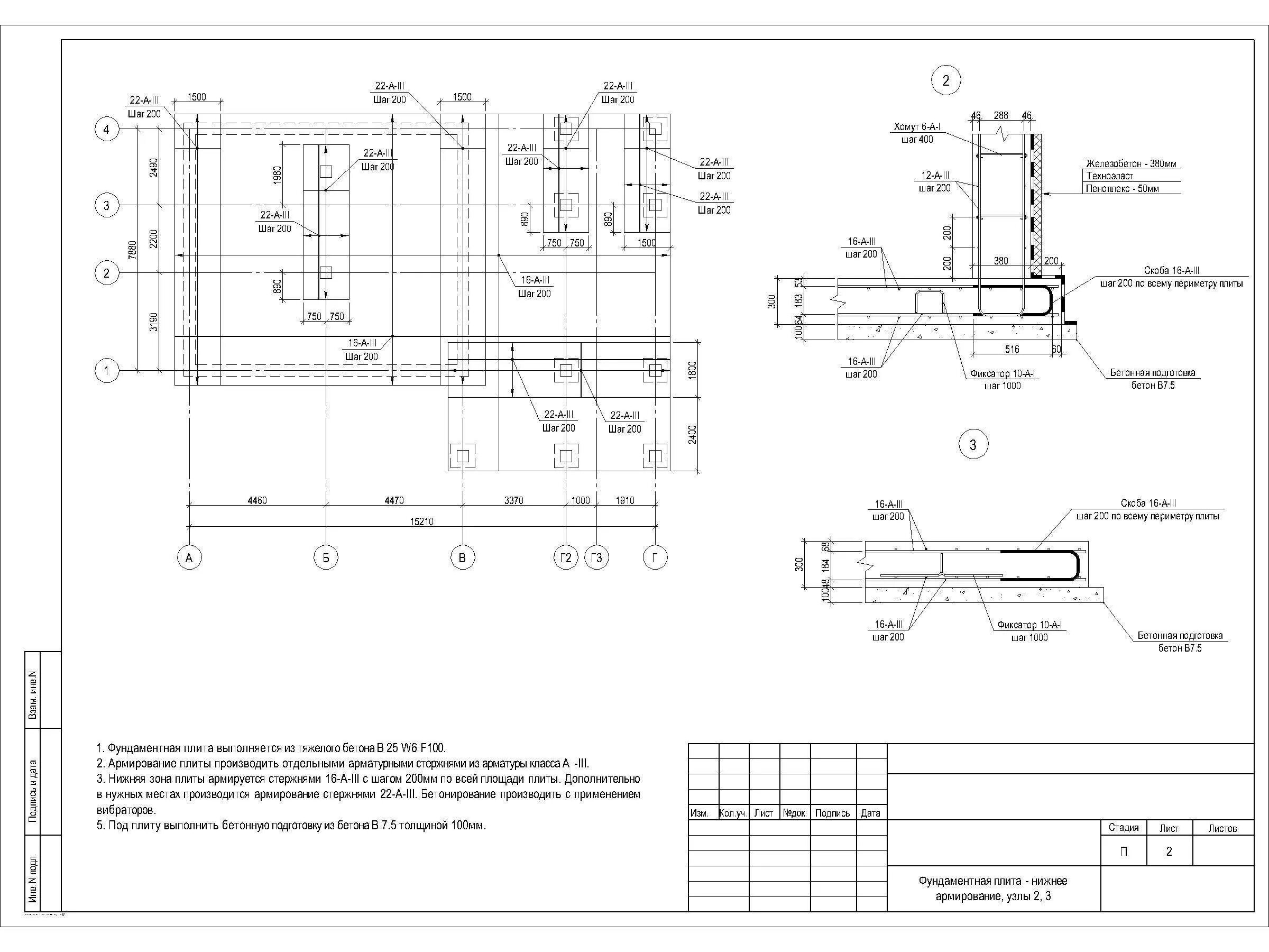
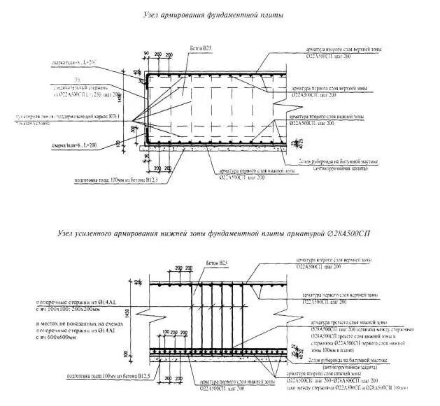
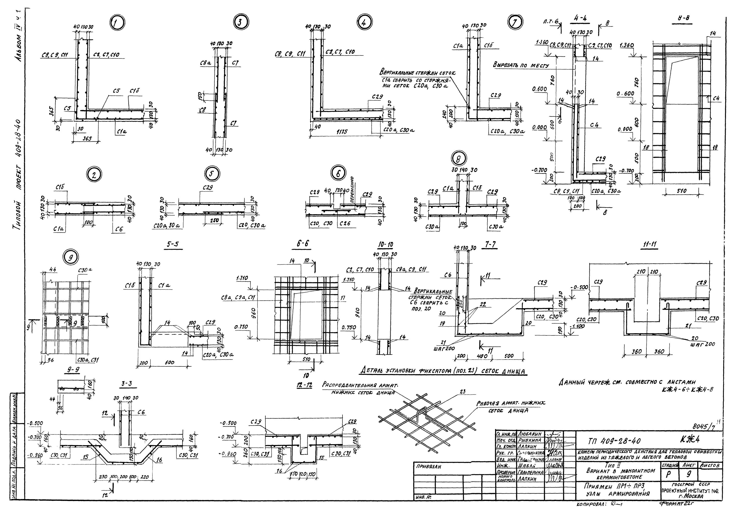
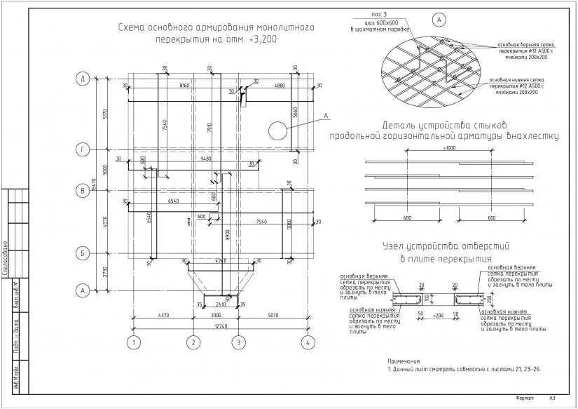
Типовое армирование