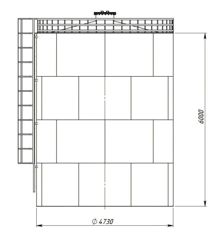
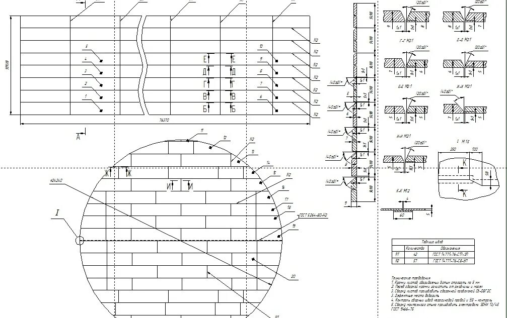
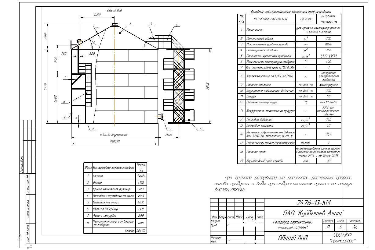
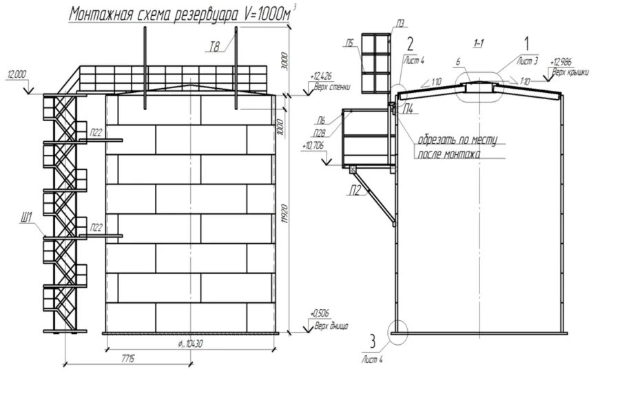
Типовой проект рвс