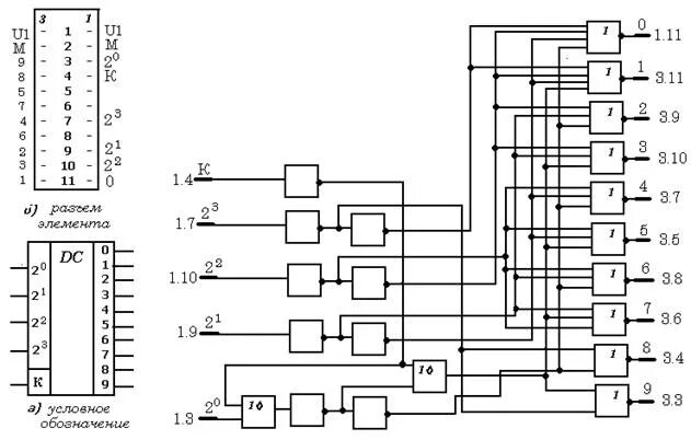
Типы входов в систему