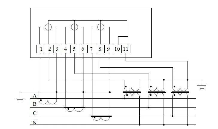
Тн сеть