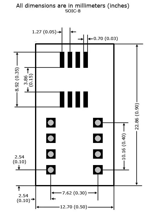
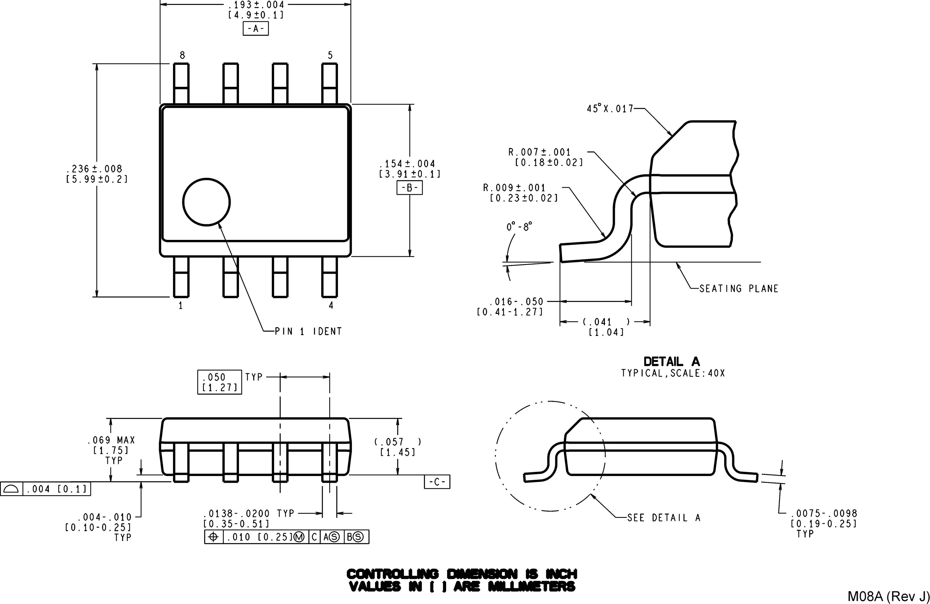
To 8 package