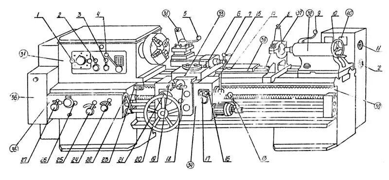
Токарный винторезный станок используется