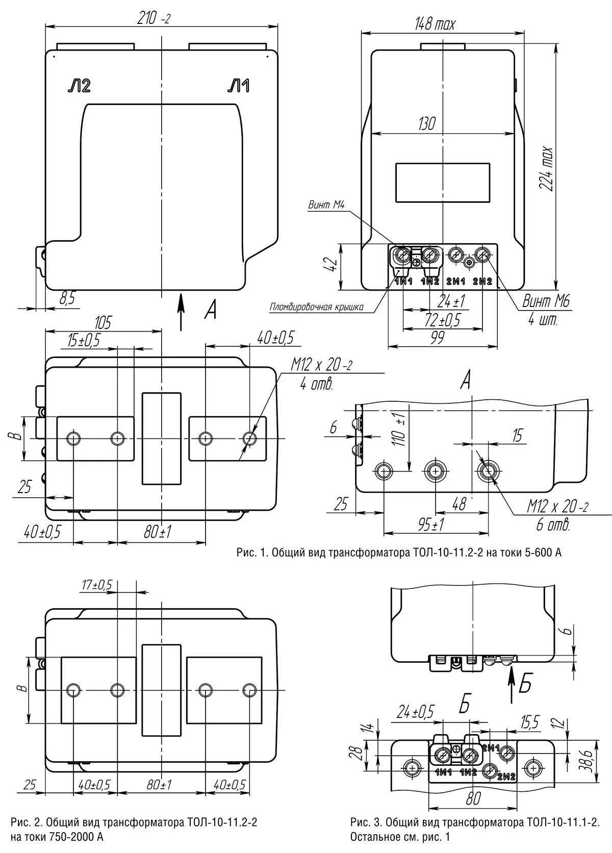
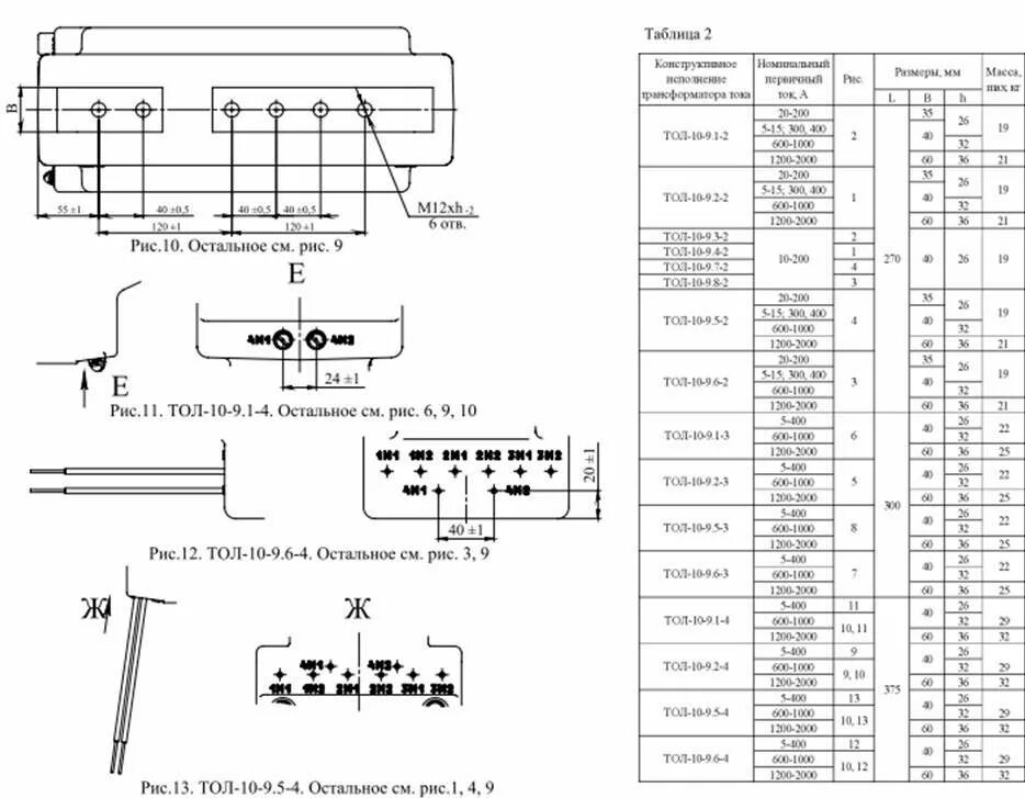
Тол 10 200