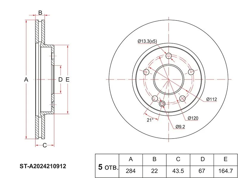
Тормозные диски санг енг