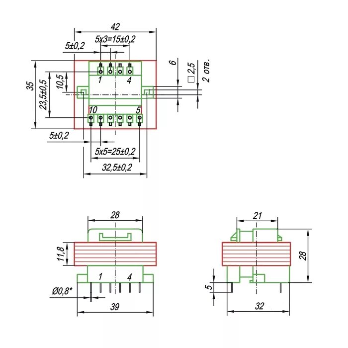
Тп 112 трансформатор