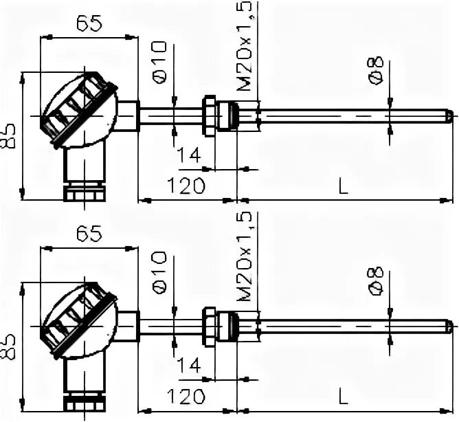
Тпт 6 3