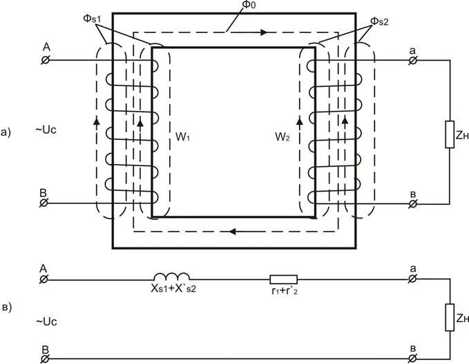
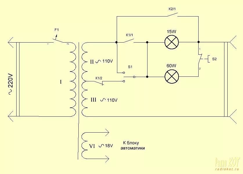
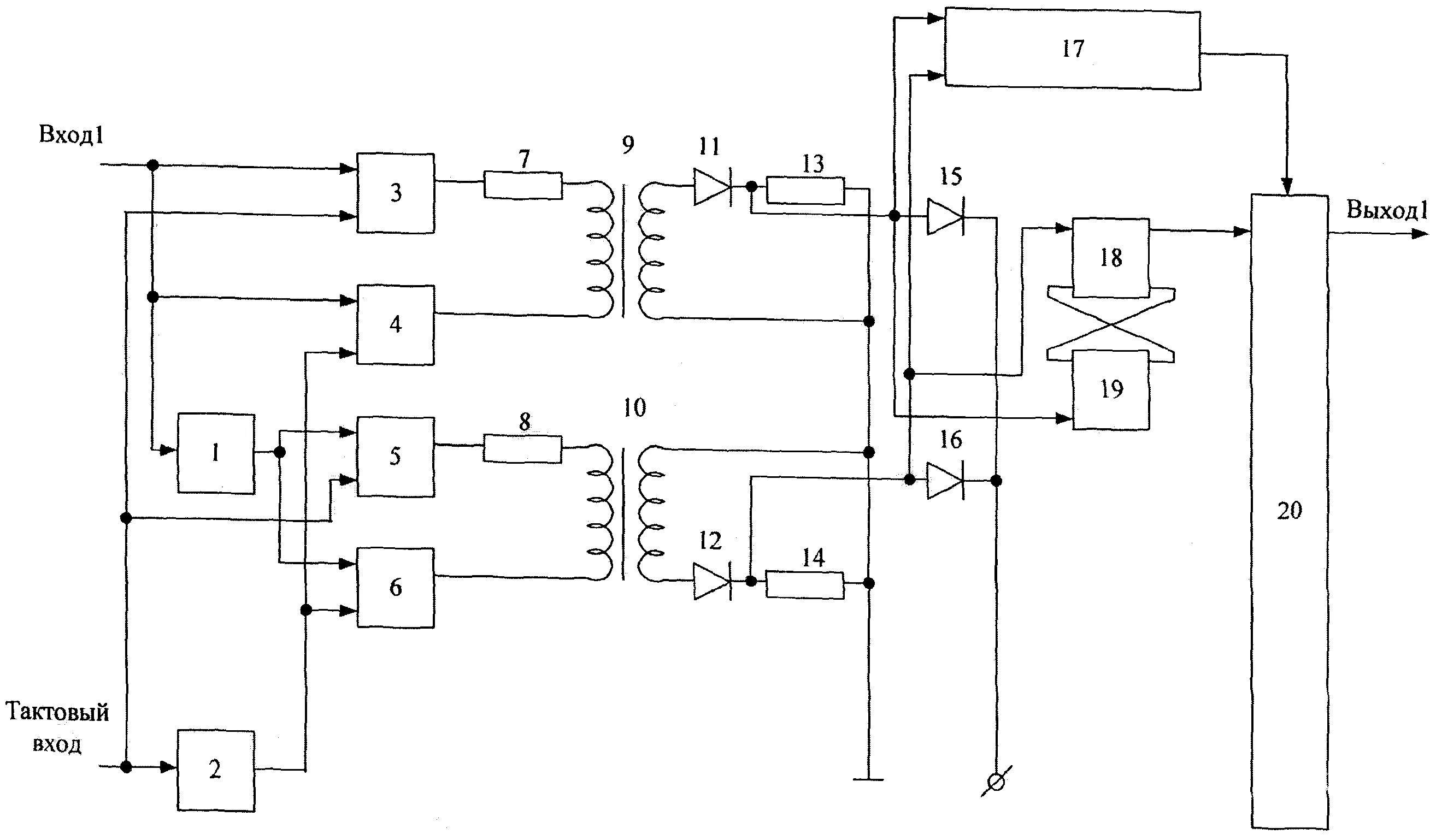
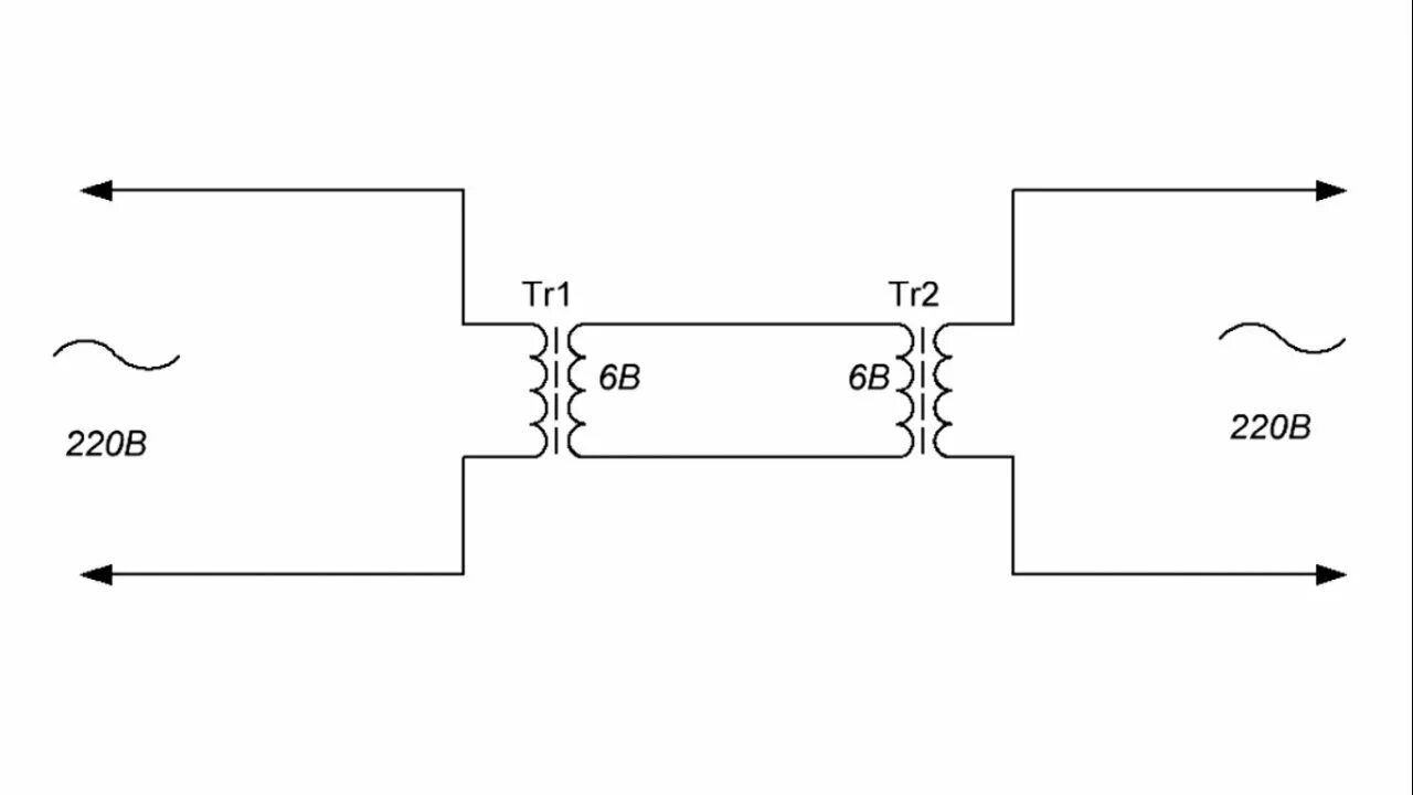
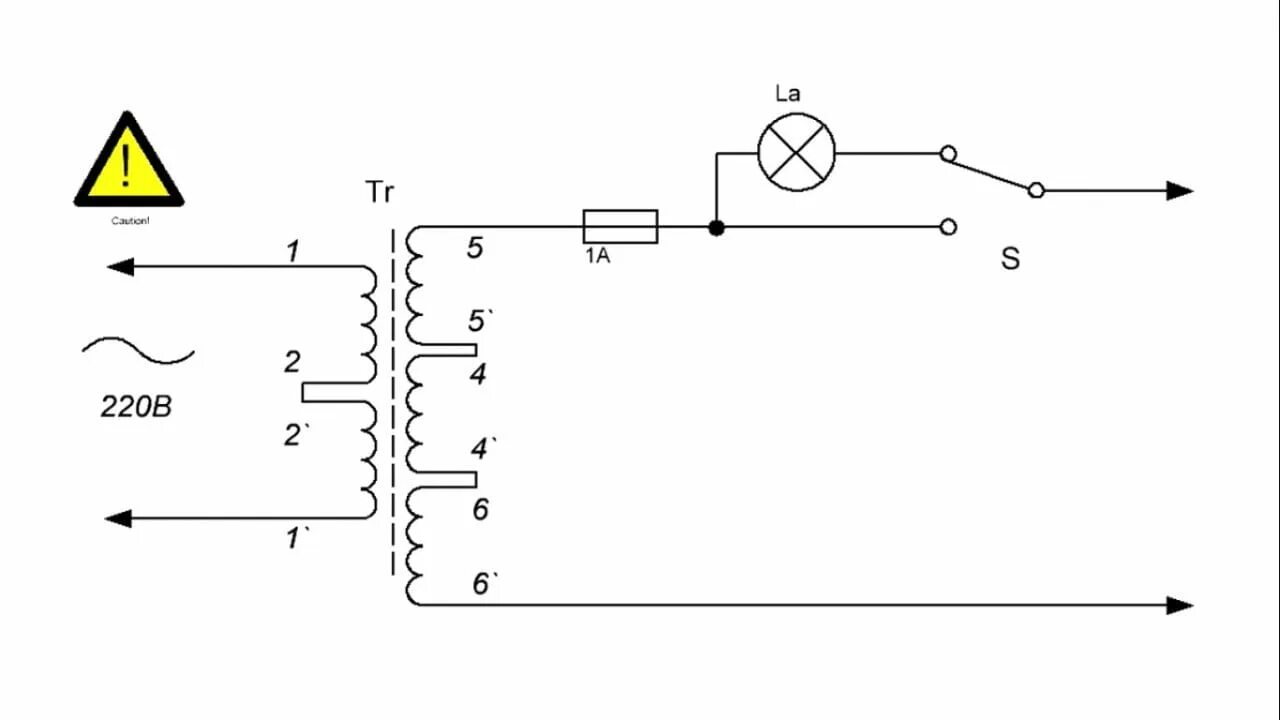
Трансформатор развязка