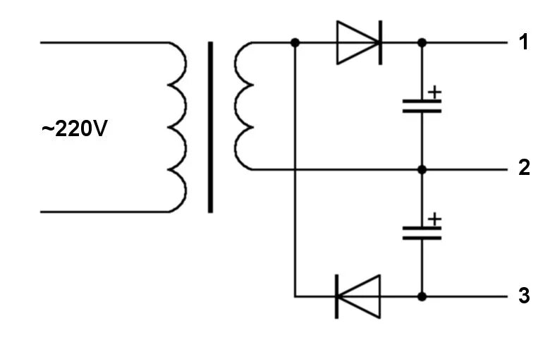
Трансформатор со средней точкой