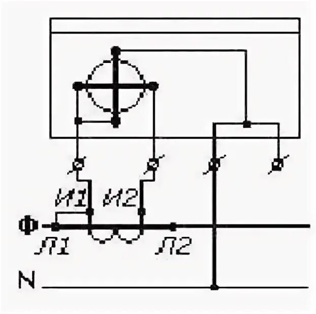
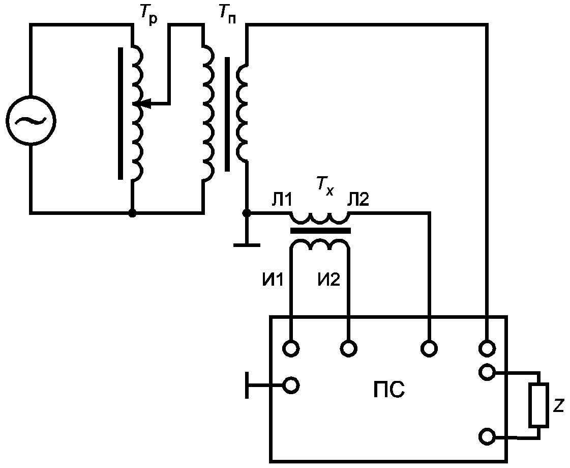
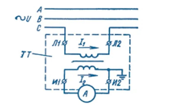
Трансформатор тока л1