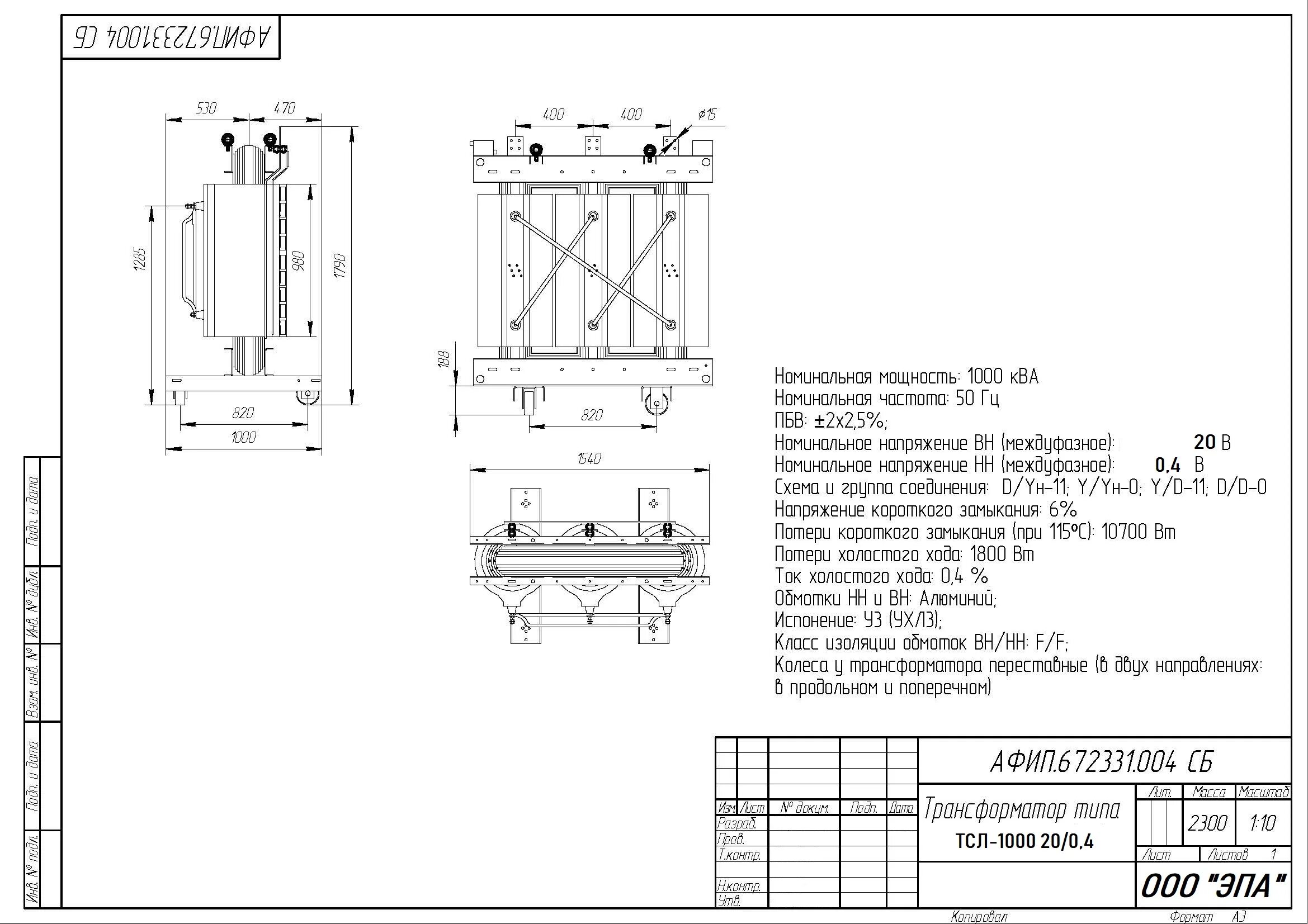
Трансформатор тсл 1000