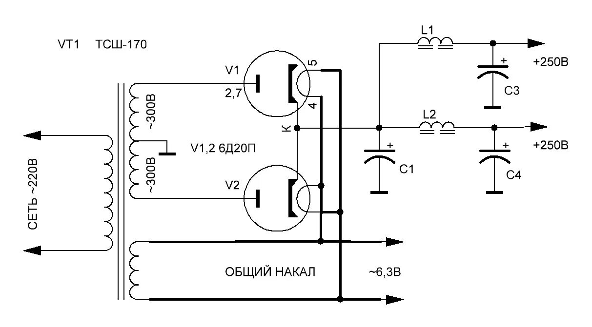
Трансформатор тсш 170 характеристики