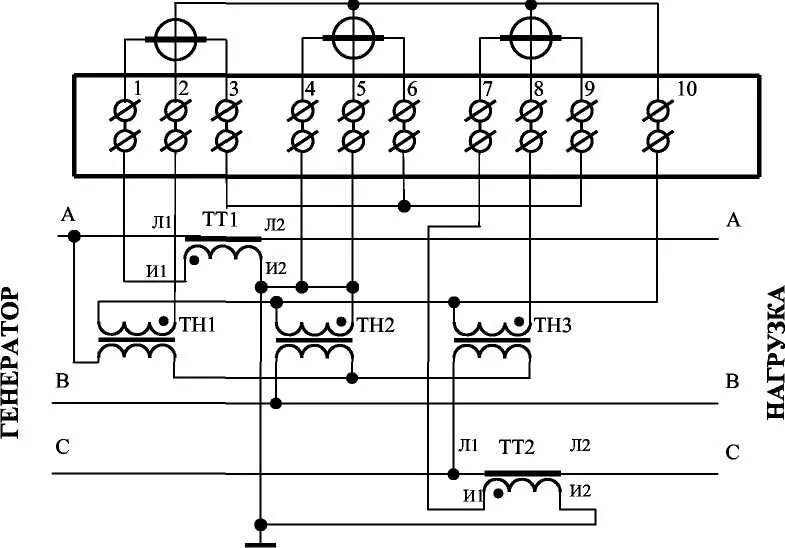
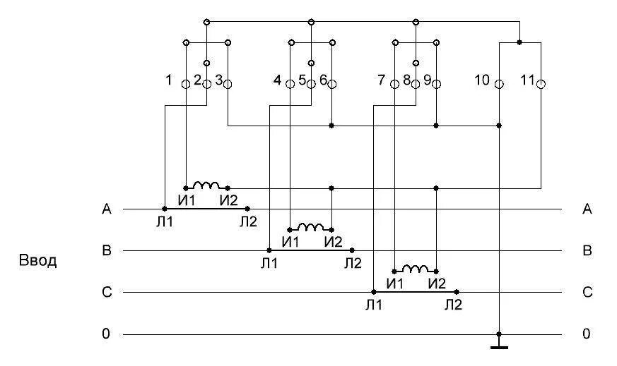
Трансформатор учета тока