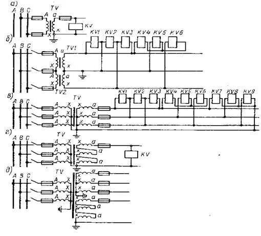
Трансформаторы оперативного тока