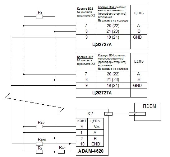
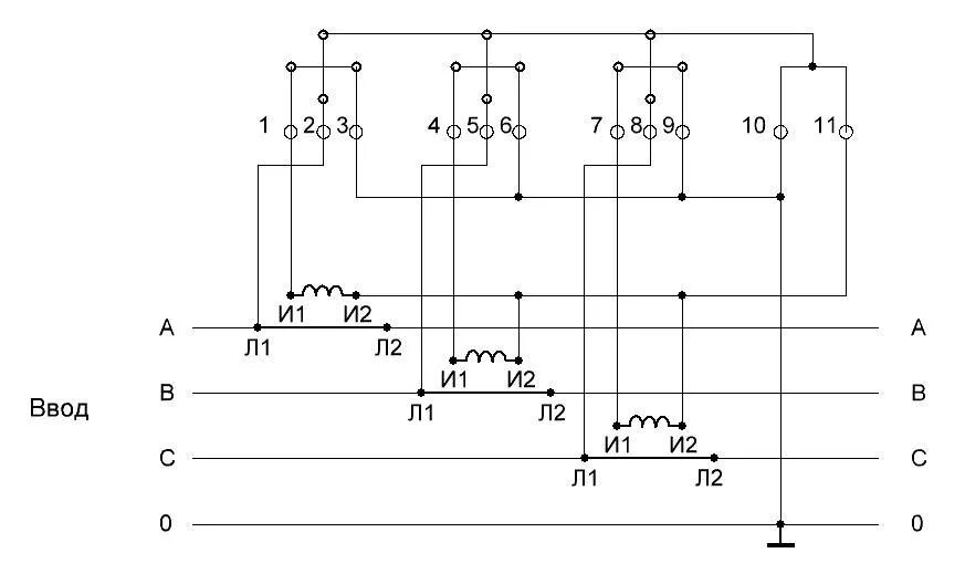
Трансформаторы тока энергомера