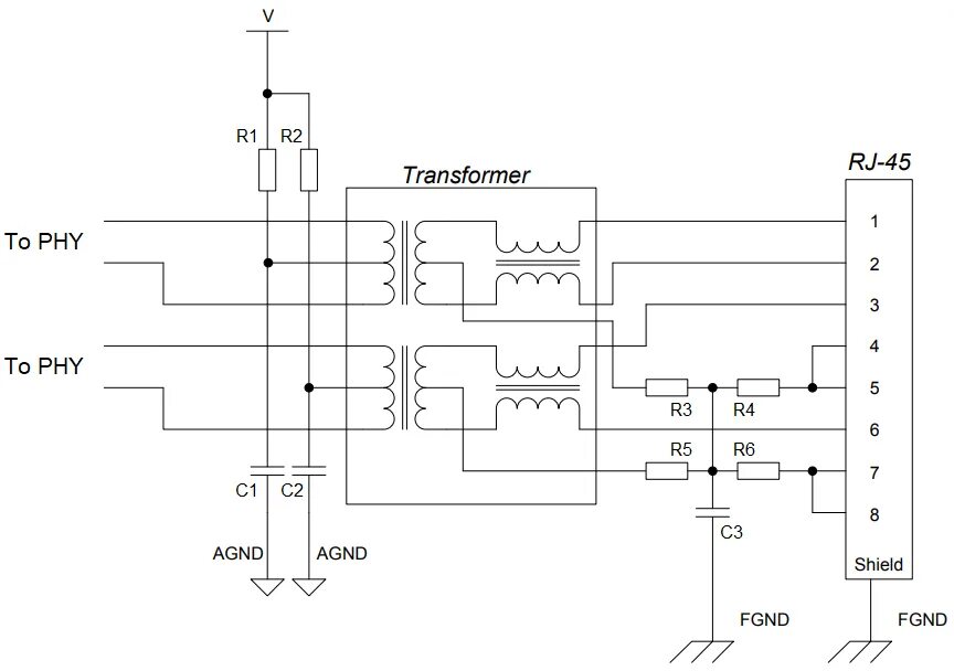
Transformers circuit