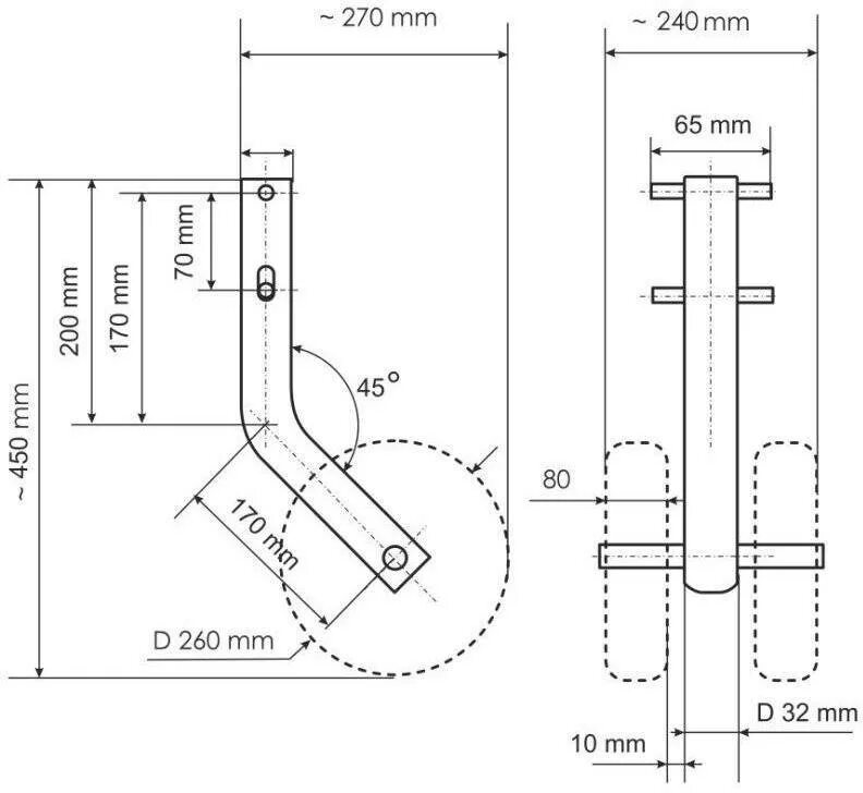
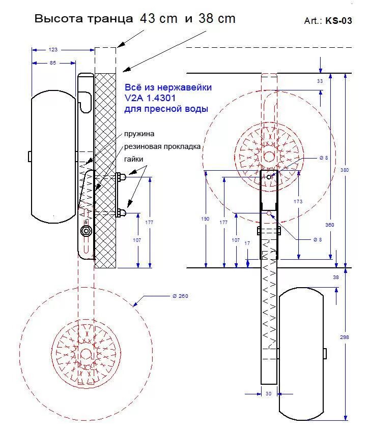
Транцевое колесо размеры