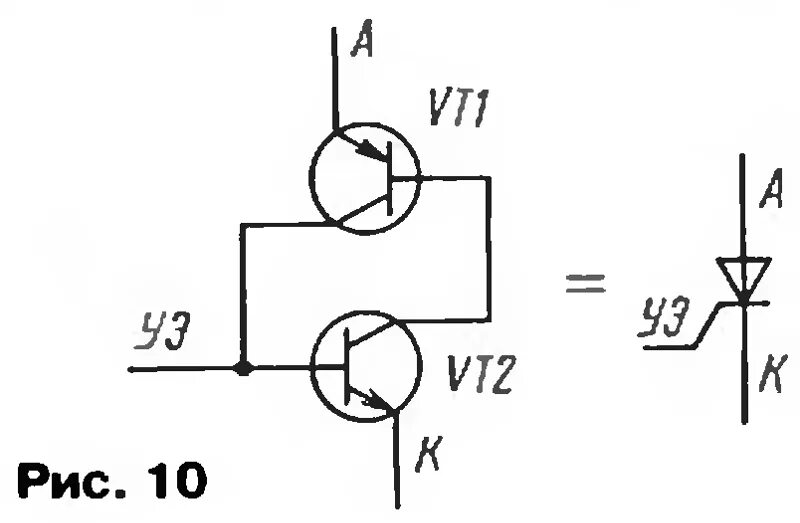
Транзистор 2х