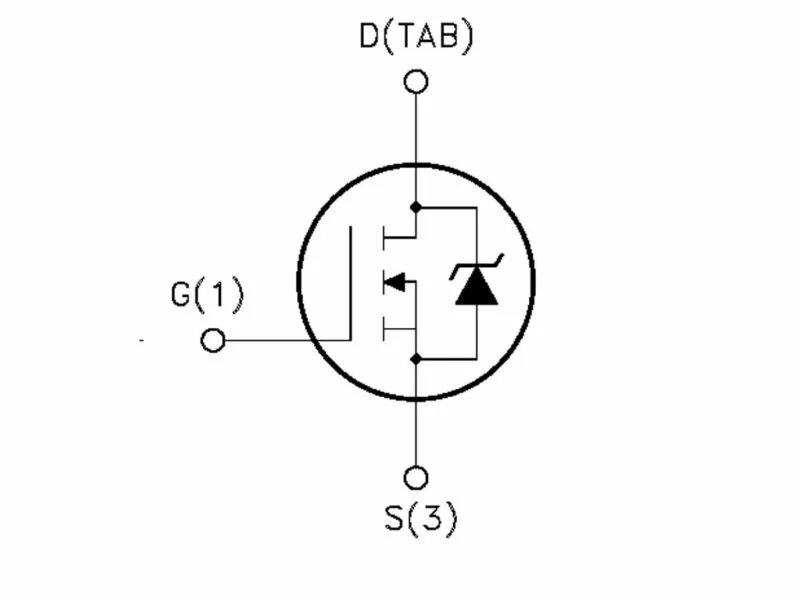
Транзистор n типа