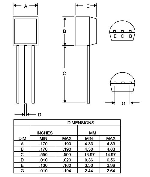
Транзистор с1815