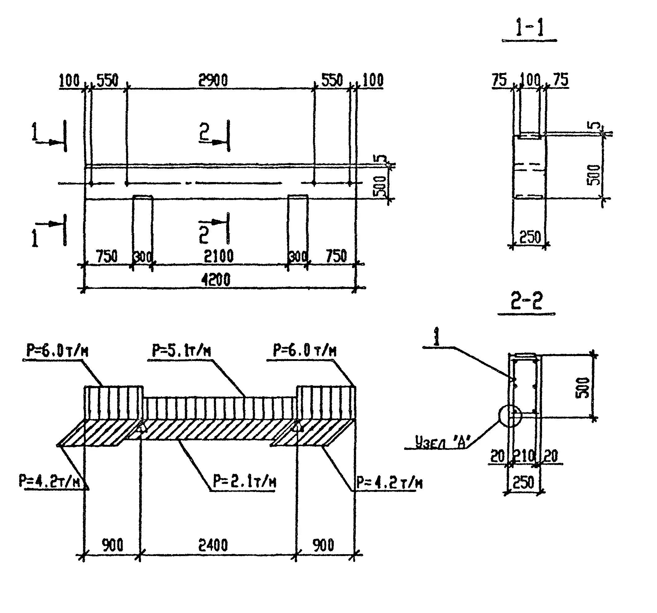
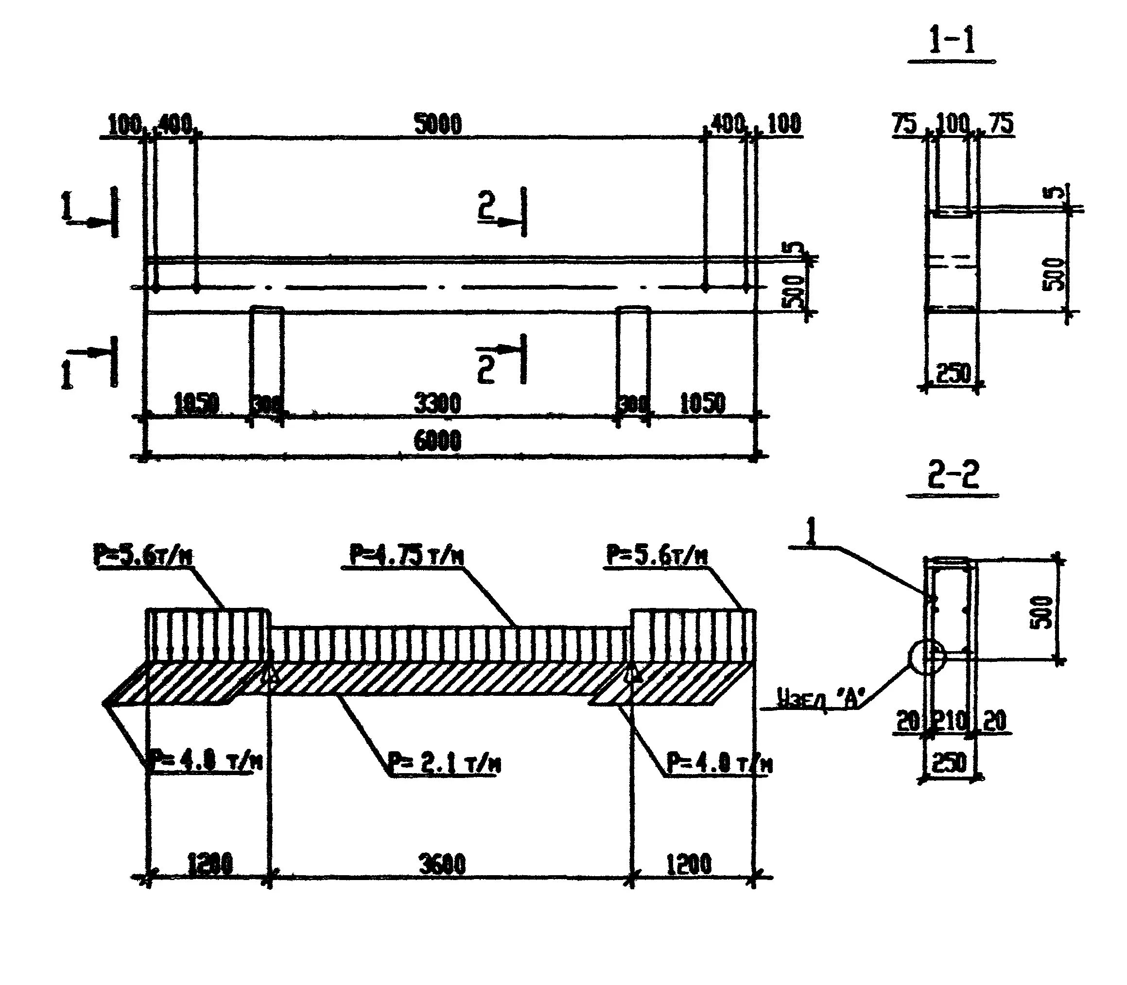
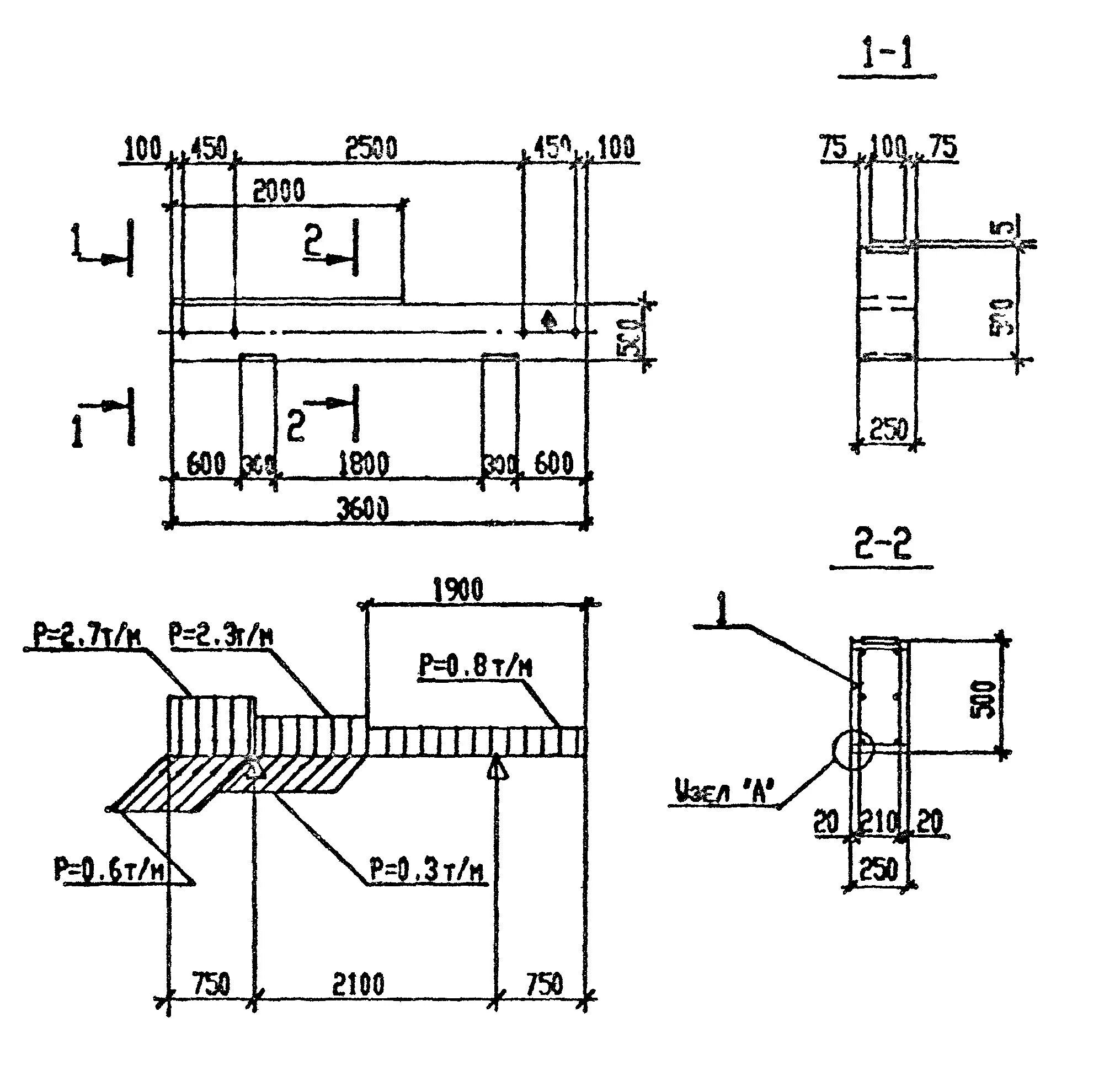
Траверс 11