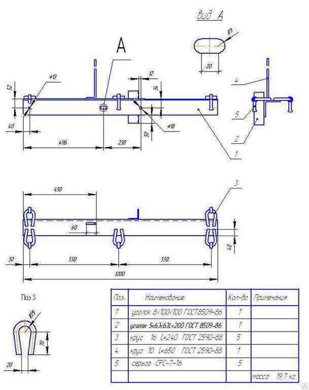
Траверс тм73