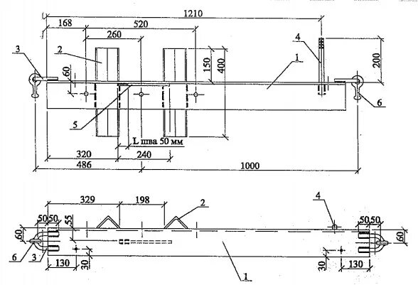
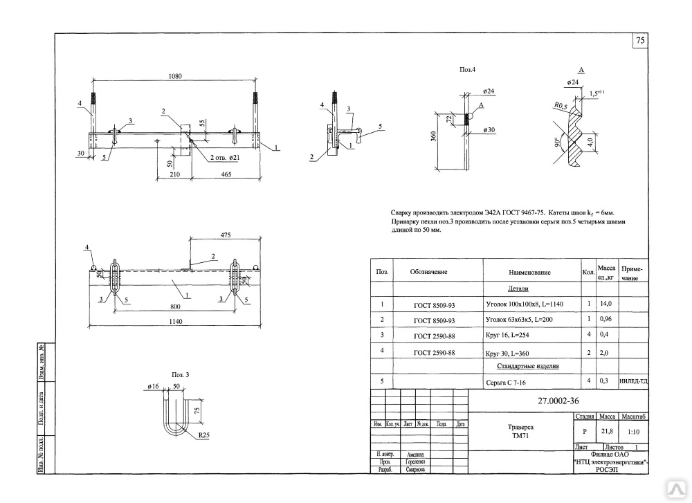
Траверса 27