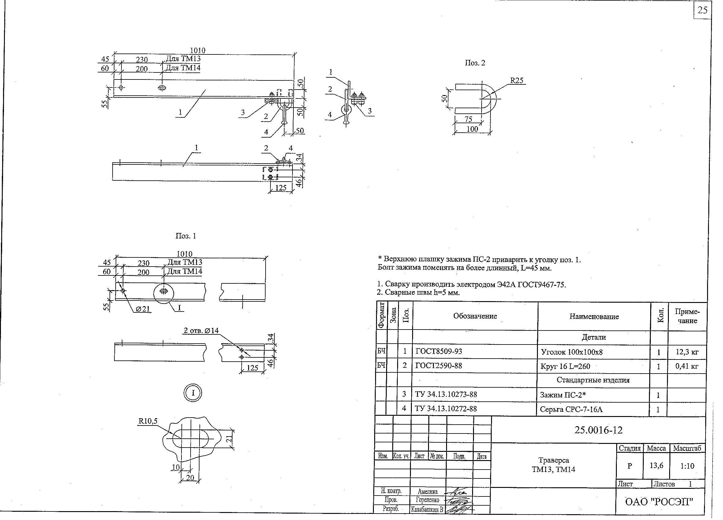
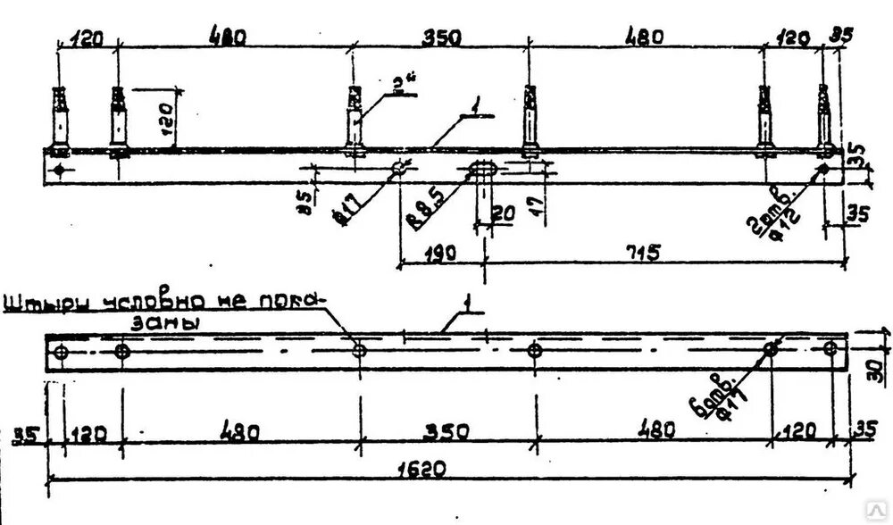
Траверса тм 14