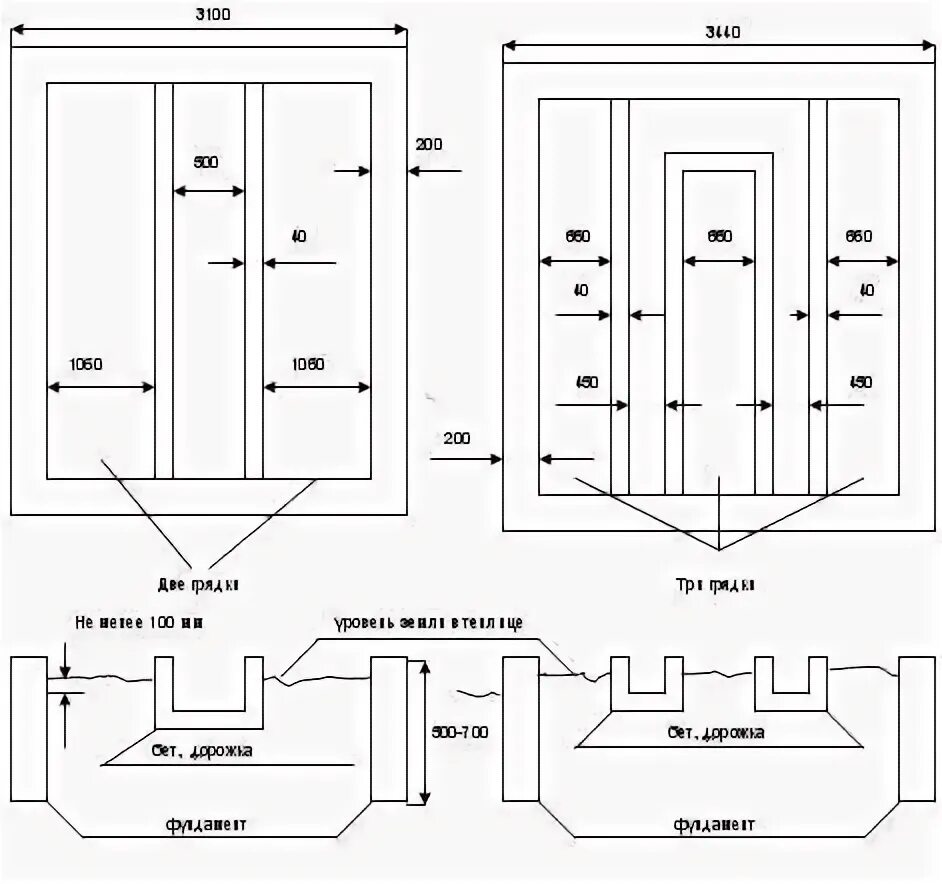
Три грядки в теплице 3х6 размеры