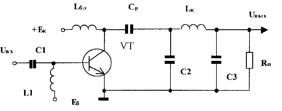
Цепь согласования